EasyManua.ls Logo

Kimo LEKTROMIK S2 - Page 22

Kimo LEKTROMIK S2
32 pages
Print Icon
To Next Page IconTo Next Page
To Next Page IconTo Next Page
To Previous Page IconTo Previous Page
To Previous Page IconTo Previous Page
Loading...
- 22 – KIMO
®
LEKTROMIK
S
PB-LS2-16-11-07 - 1007-102/03
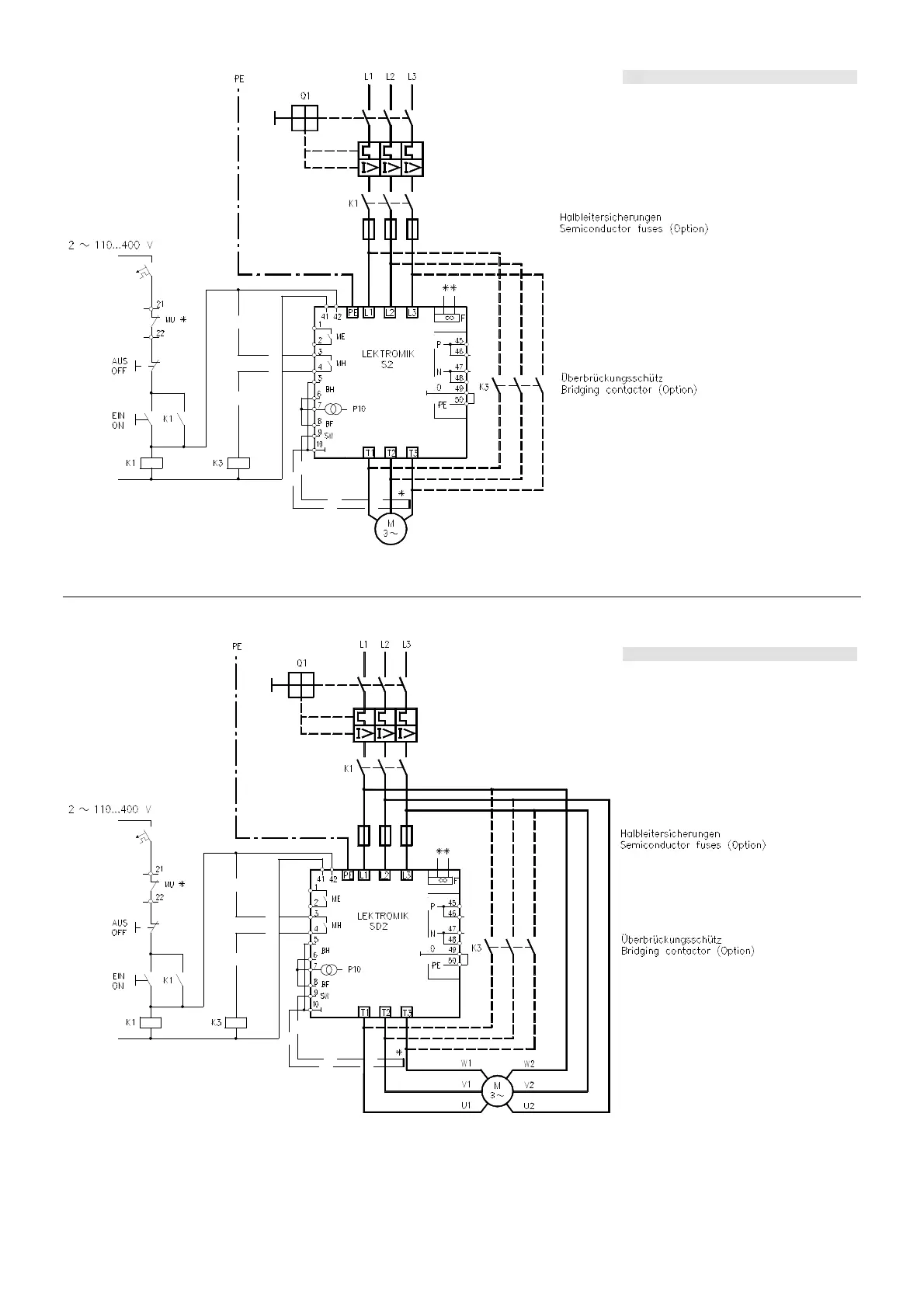
Anschlussempfehlung LEKTROMIK
®
S2 für Sanftanlauf
/
Recommended connection LEKTROMIK
®
S2 for soft start
Anschlussempfehlung LEKTROMIK
®
SD2 für Sanftanlauf / Recommended connection LEKTROMIK
®
SD2 for soft start
* Nur mit / only with OPTION LS-I1
** Lüfterversorgung siehe technische Daten
Fan supply see technical data
* Nur mit / only with OPTION LS-I1
** Lüfterversorgung siehe technische Daten
Fan supply see technical data

Related product manuals