EasyManua.ls Logo

Kimo LEKTROMIK S2 - Page 23

Kimo LEKTROMIK S2
32 pages
Print Icon
To Next Page IconTo Next Page
To Next Page IconTo Next Page
To Previous Page IconTo Previous Page
To Previous Page IconTo Previous Page
Loading...
PB-LS2-16-11-07 - 1007-102/03
LEKTROMIK
S KIMO
®
- 23 -
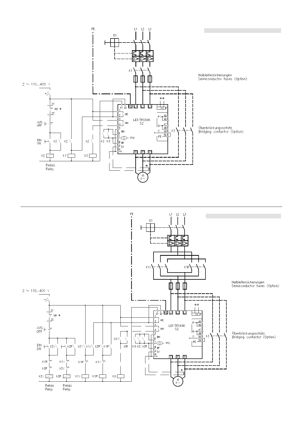
Anschlussempfehlung LEKTROMIK
®
S2, als Sanftanlauf und Sanftauslauf
Recommended connection LEKTROMIK
®
S2 as a soft start and soft stop
Anschlussempfehlung LEKTROMIK
®
S2 als Sanftanlauf mit Sanftauslauf mit reversierenden Antrieben
Recommended connection LEKTROMIK
®
S2 as a soft start with soft stop for reversing operation
* Nur mit / only with OPTION LS-I1
** Lüfterversorgung siehe technische Daten
Fan supply see technical data
* Nur mit / only with OPTION LS-I1
** Lüfterversorgung siehe technische Daten
Fan supply see technical data

Related product manuals