EasyManua.ls Logo

Kimo LEKTROMIK S2 - Page 24

Kimo LEKTROMIK S2
32 pages
Print Icon
To Next Page IconTo Next Page
To Next Page IconTo Next Page
To Previous Page IconTo Previous Page
To Previous Page IconTo Previous Page
Loading...
- 24 – KIMO
®
LEKTROMIK
S
PB-LS2-16-11-07 - 1007-102/03
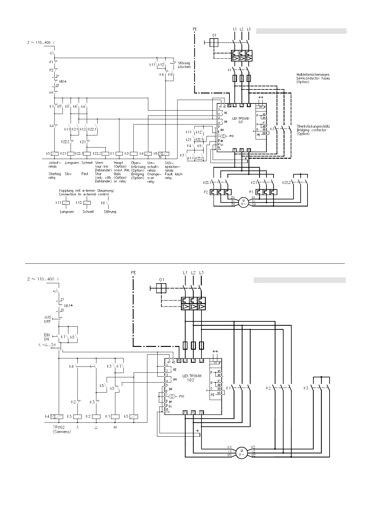
Anschlussempfehlung LEKTROMIK
®
S2 für Sanftanlauf und Drehzahlumschaltung mit Motoren in
Dahlanderschaltung. Steuerschaltung ermöglicht stromloses Schalten der Schütze
Recommended connection LEKTROMIK
®
S2 for soft start and speed change of motors in the pole-change Dahlander
connection. This connection provides for zero-current contactor switching
Anschlussempfehlung LEKTROMIK
®
SD2 kombiniert mit einer Stern/Dreieck-Schaltung für Notanlauf
Recommended connection LEKTROMIK
®
SD2 combined with a star/delta starter for emergency starting)
* Nur mit / only with OPTION LS-I1
** Lüfterversorgung siehe technische Daten
Fan supply see technical data
* Nur mit / only with OPTION LS-I1
** Lüfterversorgung siehe technische Daten
Fan supply see technical data

Related product manuals