EasyManua.ls Logo

Kimo LEKTROMIK S2 - Page 25

Kimo LEKTROMIK S2
32 pages
Print Icon
To Next Page IconTo Next Page
To Next Page IconTo Next Page
To Previous Page IconTo Previous Page
To Previous Page IconTo Previous Page
Loading...
PB-LS2-16-11-07 - 1007-102/03
LEKTROMIK
S KIMO
®
- 25 -
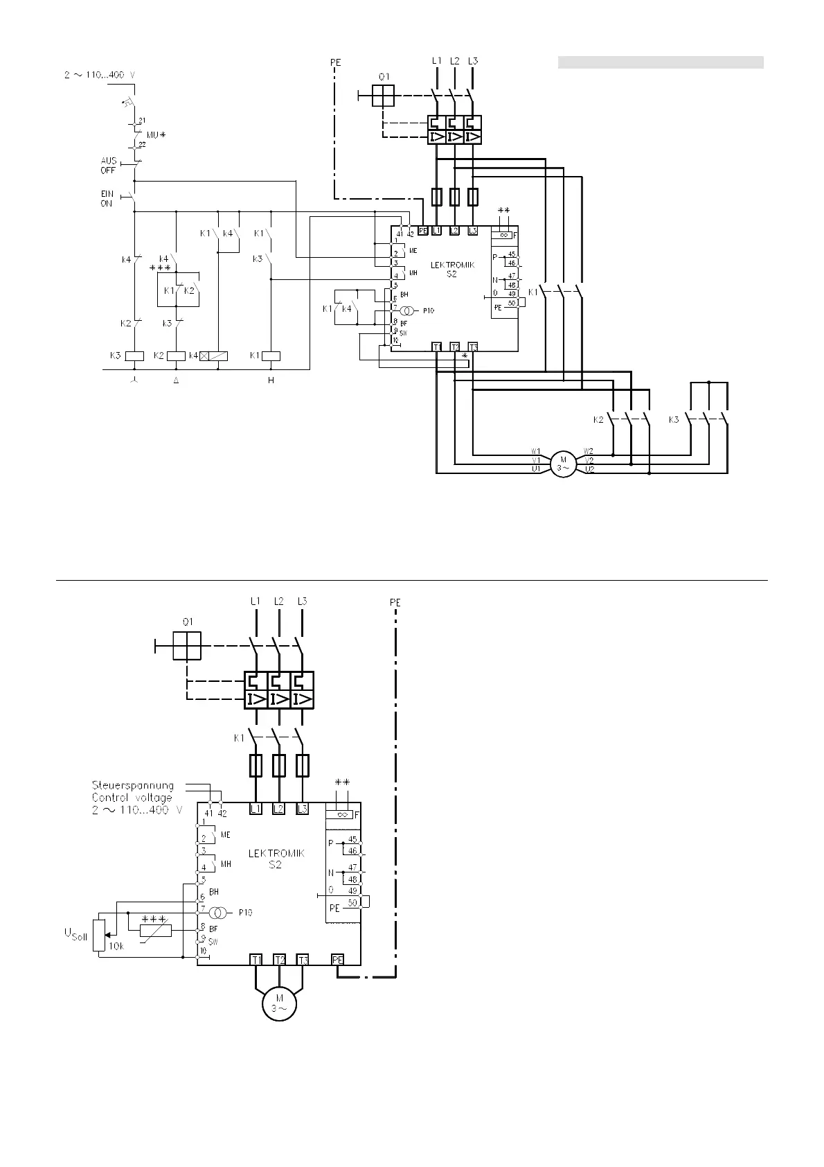
Anschlussempfehlung LEKTROMIK
®
S2 mit der OPTION LS-I1 kombiniert mit einer Stern/Dreieck-Schaltung für Anlauf
mit sehr kleinem Anlaufstrom (z.B. entlasteter Schraubenverdichter). Projektierungshinweise bitte anfragen/
Recommended connection LEKTROMIK
®
S2 with OPTION LS-I1 combined with a star/delta connector for starting with
low starting currents (e.g. screw compressors in by-pass). Please refer to supplier for further information
Anschlussempfehlung LEKTROMIK
®
S2 als Spannungssteller (z.B. Drehzahlsteuerung von Lüftern mit Außenläufer-/
Sondermotor, Steuerung für Elektroheizungen)
Recommended connection LEKTROMIK
®
S2 as a voltage controller (e.g. for the speed control of fans with external
rotor or special motor, control of electric heating)
* Nur mit / only with OPTION LS-I1
** Lüfterversorgung siehe technische Daten/
Fan supply see technical data
** Lüfterversorgung siehe technische Daten
Fan supply see technical data
*** PTC Motorschutz (Kaltleiter) oder Thermostat
Thermistor or thermostat motor protection
Projektierungshinweise Seite 15 beachten
Observe “Planning the installation” page 15

Related product manuals