EasyManua.ls Logo

King nutronics 3666-12-101 - Page 3

Default Icon
8 pages
Print Icon
To Next Page IconTo Next Page
To Next Page IconTo Next Page
To Previous Page IconTo Previous Page
To Previous Page IconTo Previous Page
Loading...
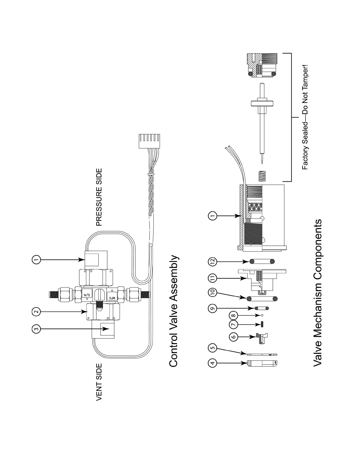
Fig. 1. King Nutronics Corporaon PN 3666-12-101 Control Valve Assembly and Components
i.
King Nutronics Corporaon PUB 3666-245-15, Rev 6/2014