EasyManua.ls Logo

KING MAU - Line Voltage Electrical Connections; Sample MAU Wiring Schematic

KING MAU
21 pages
Print Icon
To Next Page IconTo Next Page
To Next Page IconTo Next Page
To Previous Page IconTo Previous Page
To Previous Page IconTo Previous Page
Loading...
MAU Installation Manual
Page
15
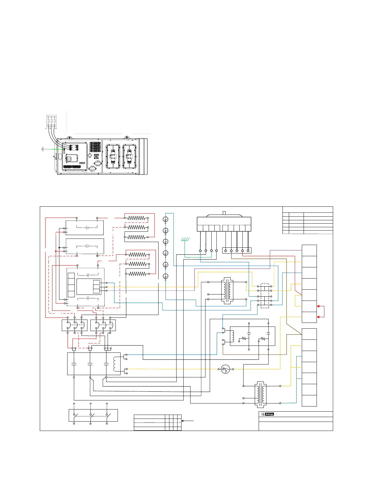
LINE VOLTAGE ELECTRICAL CONNECTIONS
Refer to the wiring diagram provided with the MAU for the supply line connection points, typically
a two or three pole contactor marked L1, L2, L3 and Ground. Size the wire gage suppling the unit
per the NEC building wire ampacity standards and protect the supply circuit with the appropriately
sized circuit breaker or fuse. Install a disconnect switch when called for, an optional field installed
disconnect is available, refer to the data table to select the correct model number.
SAMPLE MAU WIRING SCHEMATIC
TORQUE
WIRE COLOR
1
L OW
SAMPLE MAU WIRING DIAGRAM
ELECTRICAL MFG
CONTACTOR
T3
L1
T2T1
+
-
24V
L2 L3
DISCONNECT
(O PTIONAL )
T3
L1
T2T1
L2 L3
OUTPUT
OUTPUT
INPUT 3
24 VAC 2
COMMON 1
L2
L1
T2
T1
S1
S2
S3
S4
A0
24V
HOT
24V
COM
R1
R2
L
L
G
EF
24V
EF
COM
D
24V
D
COM
TERMINAL
BLOCK
HIGH LIMIT
BLU -
YEL +
BLK
WHT
BLU -
YEL +
BLK
WHT
CONTRO L RELAY
1
3
6
5
4
+
-
2
24V
SSR
JUMPER
MAKE UP AIR UN IT, 3-PH, 6-ELEMENTS, ECM MOTOR, 2-S OL ID
STATE RELAYS, 2-CIRCUIT BREAKERS , PORORTIONAL
THERMOSTAT, LOCKOUT, EXHAUST FAN, DAMPER
BLK CPT 1
BLK CPT 2 (C R 5)
WH T
CPT 2
WH T CPT 1
BLK CPT 2 (C R 6)
WH T MOTOR
24V
24V
0 TO 10 Vdc CONTROL
SSR INPUT SIGNAL
S1 S2
S3 S4
0 0 0 1
0 0 1 0
1 1 0 0
4 TO 20 mA CONTROL
0 TO 135 OHM CONTROL
DEFUAT SETTING
OUTPUT
OUTPUT
L2
L1
T2
T1
SCR
10GA
10GA
10GA
10GA
10GA
10GA
10GA
10GA
10GA
3 POLE C/B
-
+
-
+
-
+
ECM MOTOR
L IN E - GRY
L IN E - WH T
GROUND
RED
ORANGE
BLACK
1
2345
BRN - ORG
BRN - BLK
24V CO M
C
L
G
N
GRND - GRN
GRA Y
MOTOR
TERM BO ARD
10GA
DS
DS
RED
RED
CPT-2
CPT-1
ME D L OW
MEDIUM
2
3
4
5
MED HIGH
HIGH
RED
ORANGE
BLACK
BROWN / OR AN GE
BROWN / BLACK
ECM MOTOR TO RQUE TABLE
(6) ELEMENTS