EasyManua.ls Logo

Kioti KL120 - Bearing Box Assembly Part List

Kioti KL120
108 pages
Print Icon
To Next Page IconTo Next Page
To Next Page IconTo Next Page
To Previous Page IconTo Previous Page
To Previous Page IconTo Previous Page
Loading...
13-8 KL 120
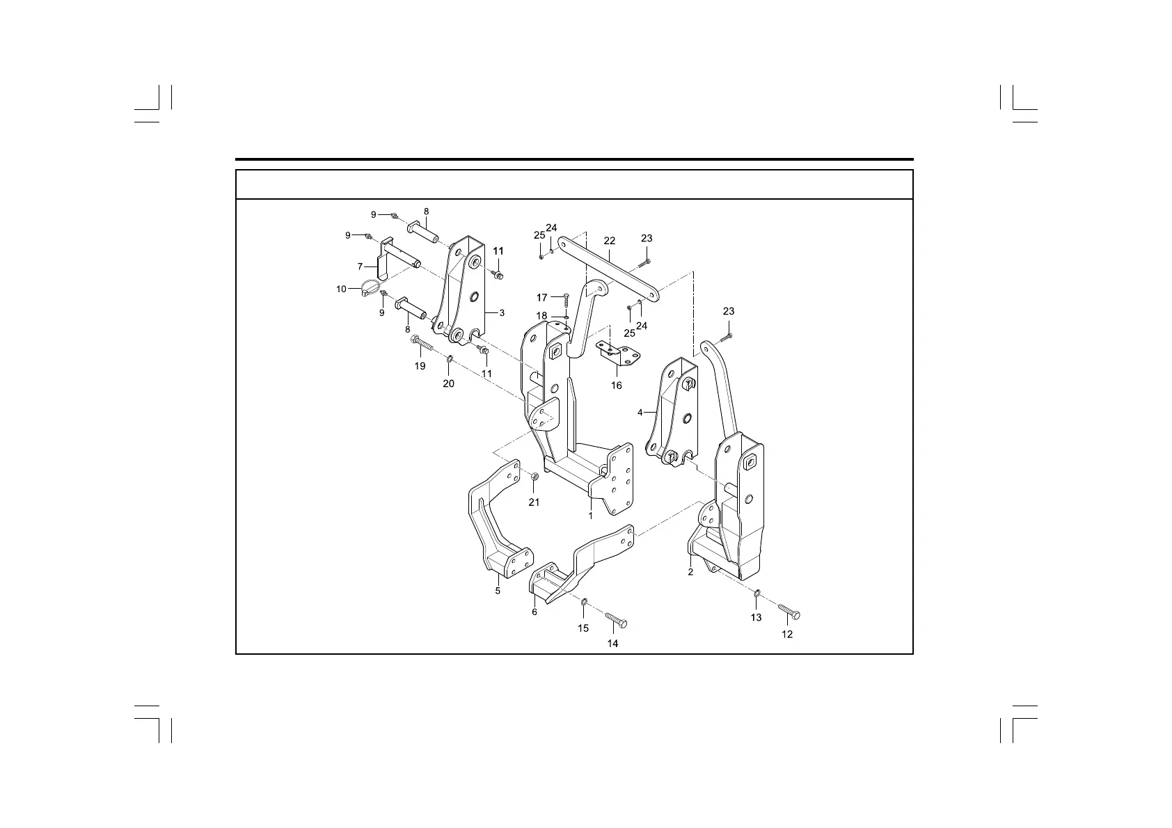
13.4 BEARING BOX ASSEMBLY
120OD03B
UPDATED(03.31.2009)

Related product manuals