EasyManua.ls Logo

KitchenAid KBFS25EVMS3 - Icemaker Parts; Following Parts Not Illustrated

KitchenAid KBFS25EVMS3
15 pages
Print Icon
To Next Page IconTo Next Page
To Next Page IconTo Next Page
To Previous Page IconTo Previous Page
To Previous Page IconTo Previous Page
Loading...
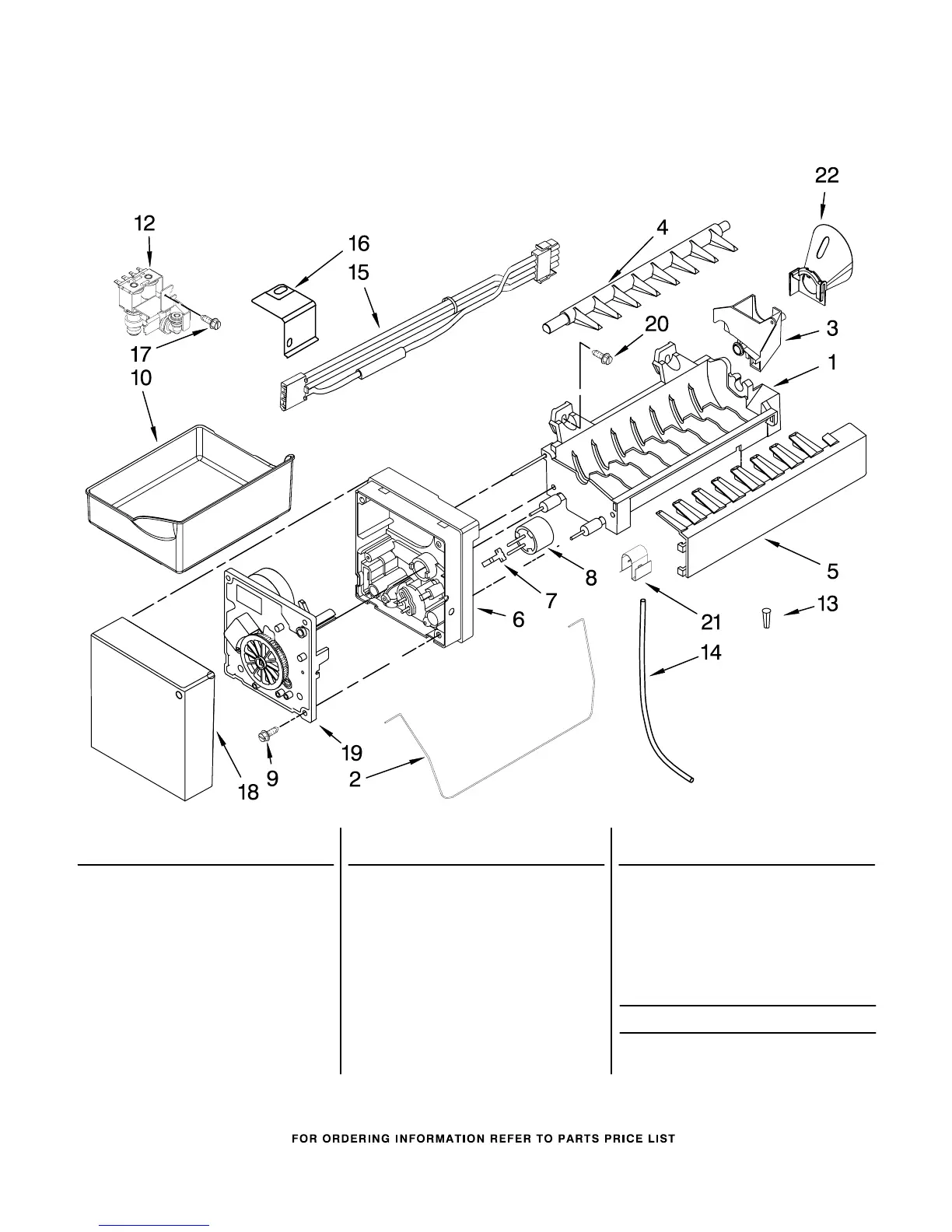
ICEMAKER PARTS
14
For Model: KBFS25EVMS3
(Monochromatic Stainless)
W10304455
Illus. Part
No. No. DESCRIPTION
Illus. Part
No. No. DESCRIPTION
Illus. Part
No. No. DESCRIPTION
1
W10122527
Mold & Heater
Assembly (Also
Order 542638
Grease)
2
W10202524
Arm, Shutoff
3 628515 Cup, Fill
4 627843 Ejector
5 2182124 Ice Stripper
6 2194712 Support, Housing
7 2315522 Retainer,
Thermostat
8 628397 Thermostat
(Also Order 542369
Cement)
9 489464 Screw (3)
10
W10171529
Pan, Ice
12 12544124 Valve, Water
Inlet
13
A3223101SP
Insert, Tube
14
B5705333SP
Tubing, Plastic
15 D7813011 Harness, Ice Maker
16 2256086 Bracket, Icemaker
17 12991604 Screw
18 12582501 Cover
19
W10223929
Module Assembly
20 489276 Screw (3)
21 628379 Clip
22 12918001 Funnel, Fill Tube
100
W10190978
Icemaker Assembly
Following Parts Not Illustrated
10244904 Coupling

Related product manuals