EasyManua.ls Logo

KitchenAid KUIS15NRH - Page 73

KitchenAid KUIS15NRH
80 pages
Print Icon
To Next Page IconTo Next Page
To Next Page IconTo Next Page
To Previous Page IconTo Previous Page
To Previous Page IconTo Previous Page
Loading...
7-3
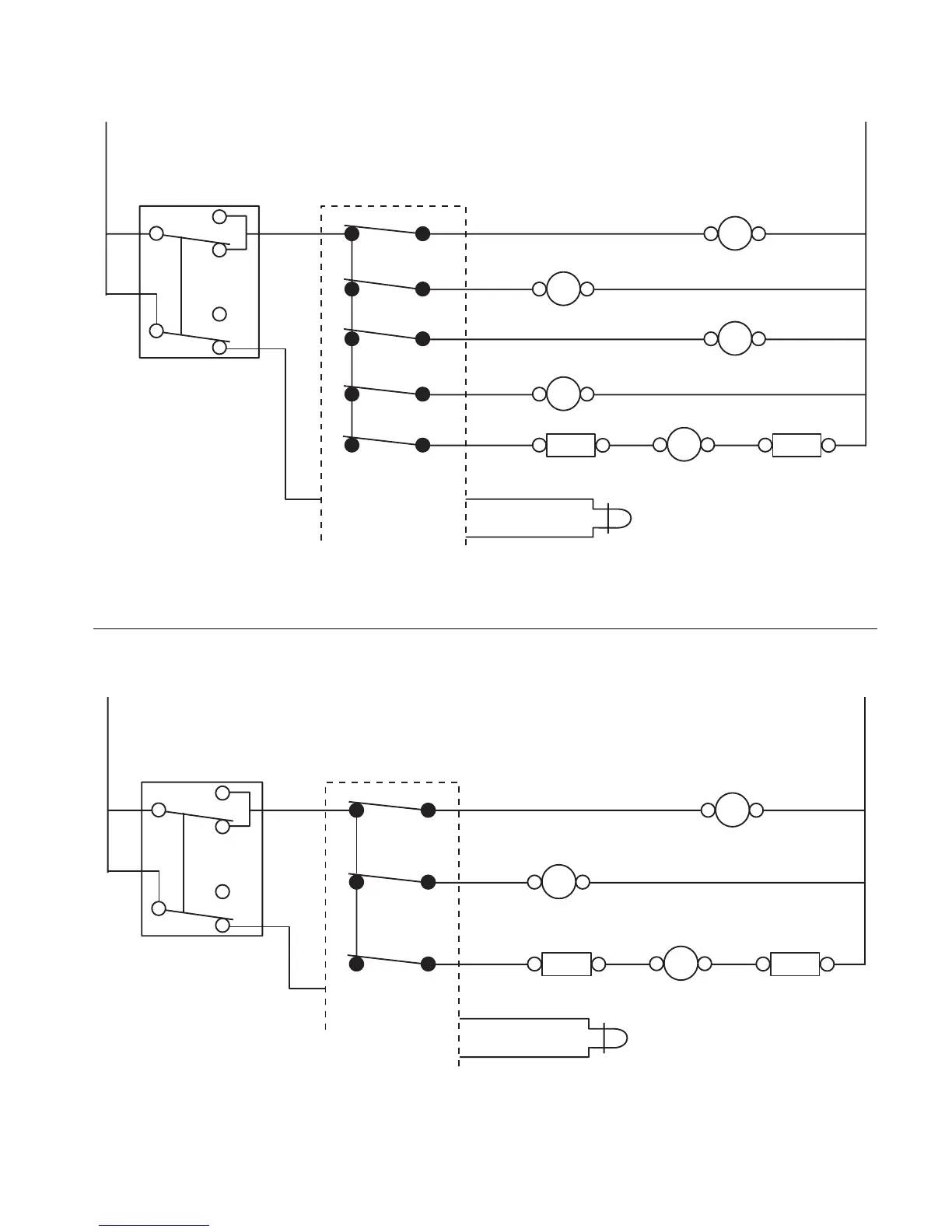
FIRST 25 SECONDS OF DIAGNOSTICS/CLEAN MODE
ON/OFF/CLEAN
SWITCH
ELECTRONIC
CONTROL
WATER RECIRCULATING PUMP
CONDENSER FAN
Y
W/BK
YBU
OR
BU W
W
BK
BK
WATER INLET VALVE
HOT GAS SOLENOID
OVERLOAD
LED
COMPRESSOR RELAY
TN
PU
R
R
W
W
W
W
NOTE: Each relay on the electronic control board closes for five seconds in consecutive order.
The LED remains On through the entire Diagnostics cycle.
LAST 47 MINUTES OF DIAGNOSTICS/CLEAN MODE
ON/OFF/CLEAN
SWITCH
ELECTRONIC
CONTROL
WATER RECIRCULATING PUMP
Y
W/BK
YBU BU WBK
BK
HOT GAS SOLENOID
OVERLOAD
LED
COMPRESSOR RELAY
PU
R
R
W
W
W

Table of Contents

Related product manuals