EasyManua.ls Logo

Knight 50 - Field Wiring; Line Voltage Connections

Knight 50
68 pages
Print Icon
To Next Page IconTo Next Page
To Next Page IconTo Next Page
To Previous Page IconTo Previous Page
To Previous Page IconTo Previous Page
Loading...
Installation & Operation Manual
40
8 Field wiring
ELECTRICAL SHOCK HAZARD – For your
safety, turn off electrical power supply before
making any electrical connections to avoid
possible electric shock hazard. Failure to do
so can cause severe personal injury or death.
Wiring must be N.E.C. Class 1.
If original wiring as supplied with boiler
must be replaced, use only type 105°C wire
or equivalent.
Boiler must be electrically grounded as
required by National Electrical Code
ANSI/NFPA 70 – latest edition.
Installation must comply with:
1. National Electrical Code and any other national, state,
provincial, or local codes, or regulations.
2. In Canada, CSA C22.1 Canadian Electrical Code Part 1, and
any local codes.
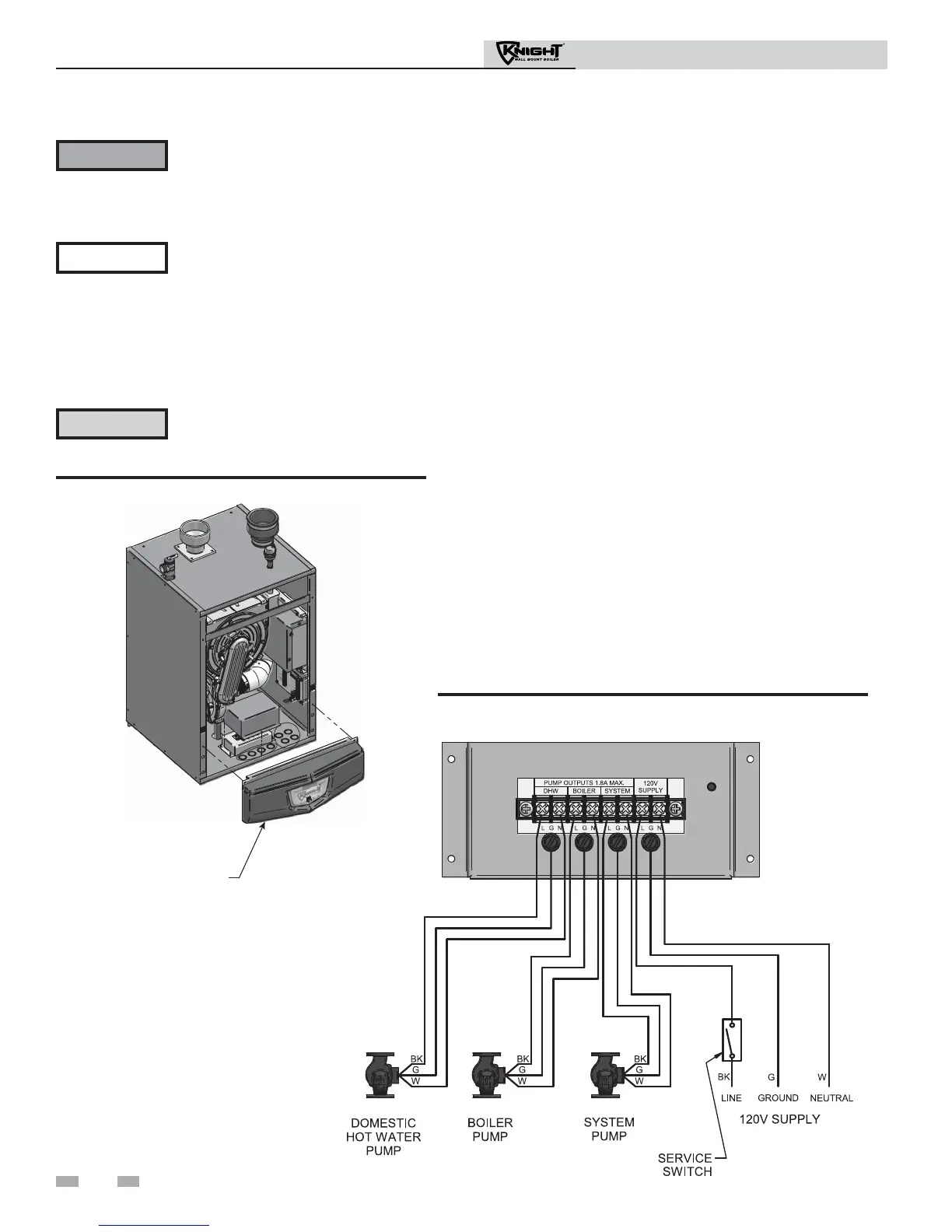
Line voltage connections
1. Remove bezel as shown in FIG. 8-1.
2. Connect 120 vac power wiring to the line voltage terminal
strip in the junction box, as shown in FIG. 8-2.
2. Provide and install a fused disconnect or service switch (15
amp recommended) as required by the code (see FIG. 8-2).
3. Wire the boiler pump as shown in FIG. 8-2.
4. When connecting a domestic hot water (DHW) pump,
connect the wiring to the line voltage terminal strip as
shown in FIG. 8-2.
5. To activate a system pump, wire as shown in FIG. 8-2. If the
motor is larger than 1/8 hp or 1.8 amps, you must install a
relay.
Figure 8-2 Line Voltage Field Wiring Connections
Label all wires prior to disconnection when
servicing controls. Wiring errors can cause
improper and dangerous operation.
WARNING
NOTICE
CAUTION
REMOVE BEZEL
Figure 8-1 Remove Bezel

Table of Contents

Related product manuals