EasyManua.ls Logo

Koch STUDIOTONE - Connection Diagram

Koch STUDIOTONE
16 pages
Print Icon
To Next Page IconTo Next Page
To Next Page IconTo Next Page
To Previous Page IconTo Previous Page
To Previous Page IconTo Previous Page
Loading...
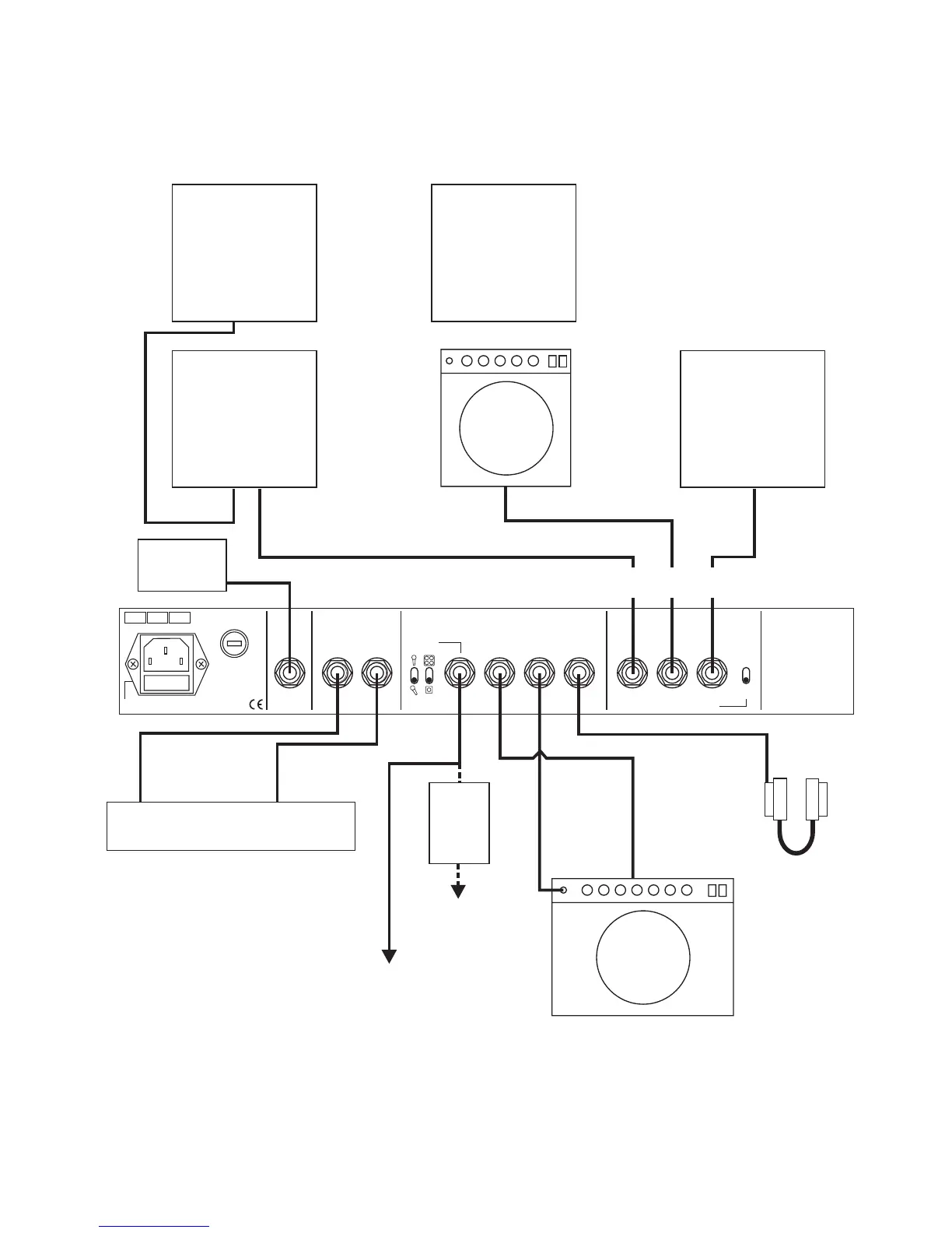
Input
FS2-ST
Footpedal
Outputs
L (mono) R
EFFECTS UNIT
CONNECTION DIAGRAM
To Mixing Console
Line Input
GUITAR
AMP
STUDIOTONE
COMBO
(internal
speaker)
8 OHMS
CABINET
(TS112, TS212)
8 OHMS
CABINET
(TS112, TS212)
8 OHMS
CABINET
(TS112, TS212)
16 OHMS
CABINET
(TS412)
OR
To Mixing Console
Microphone Input
To
FX Return
jack
DI
BOX
Speaker Outputs
Internal
Dummy
Load
activated
CONNECT SPEAKERS BEFORE USE !!!
Recording Line Outputs Phones
Effects Loop
Off
1684
On
Signal is derived from amp’s speaker output
Output Power 20 Watts
Direct
Out
(no filter)
To
Guitar amp
Clean input
To FX
Remote
Channel
Switching
From FX
Fuse: 100/120V - T2.0A
220/240V - T1.0A
VAC
50 Watts, 50/60Hz
115 230
100
~
WWW
Voicing
HT
Fuse
T315mA
USE ONE SPEAKER
OUTPUT ONLY

Related product manuals