EasyManua.ls Logo

Kohler 24EKOZD - Page 109

Kohler 24EKOZD
168 pages
Print Icon
To Next Page IconTo Next Page
To Next Page IconTo Next Page
To Previous Page IconTo Previous Page
To Previous Page IconTo Previous Page
Loading...
TP-7044 6/23 109
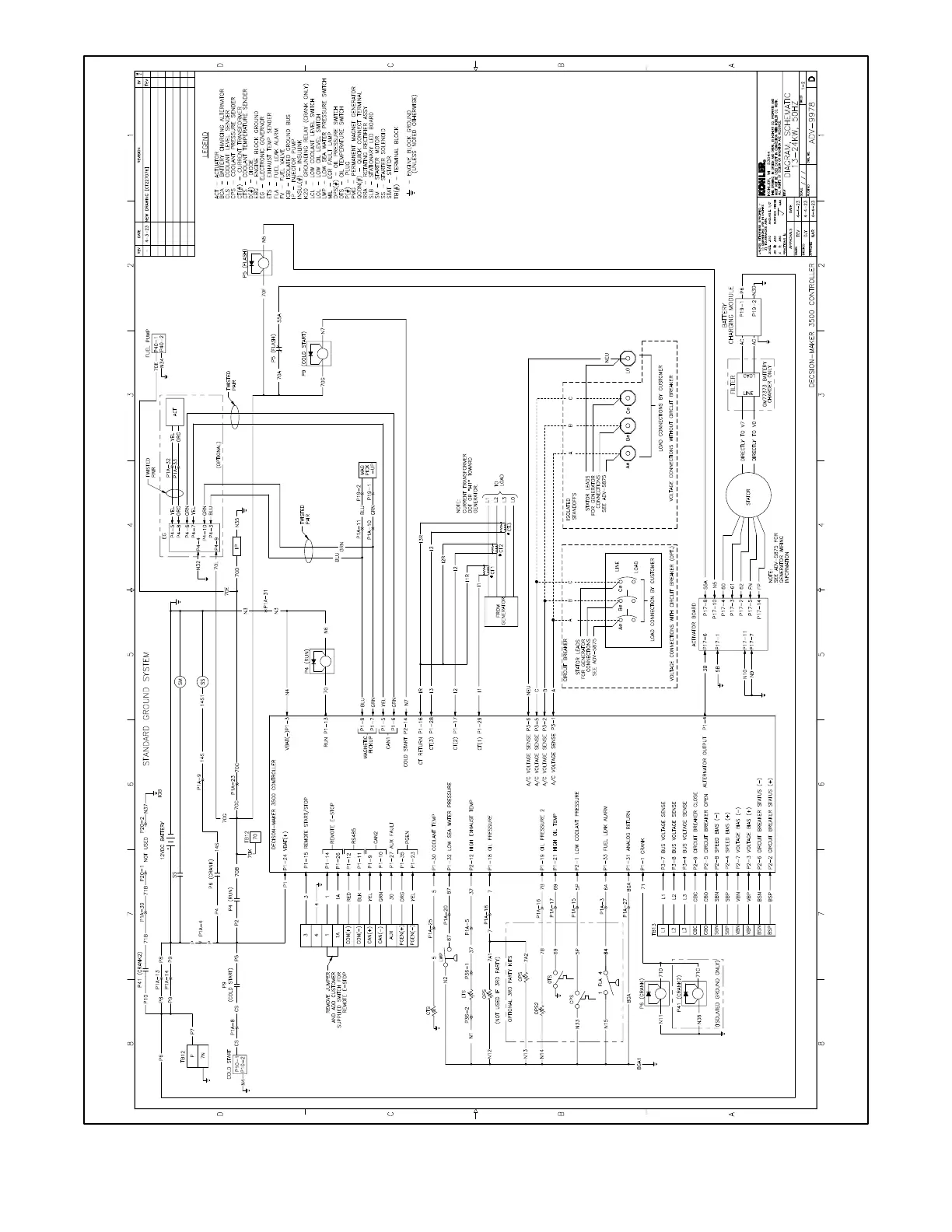
Figure 56 Wiring Diagram, Schematic (Sheet 1 of 2) for 12/13.5/17/18/20.5EFKOZD Models

Table of Contents

Other manuals for Kohler 24EKOZD

Related product manuals