EasyManua.ls Logo

Kohler 24EKOZD - Page 113

Kohler 24EKOZD
168 pages
Print Icon
To Next Page IconTo Next Page
To Next Page IconTo Next Page
To Previous Page IconTo Previous Page
To Previous Page IconTo Previous Page
Loading...
TP-7044 6/23 113
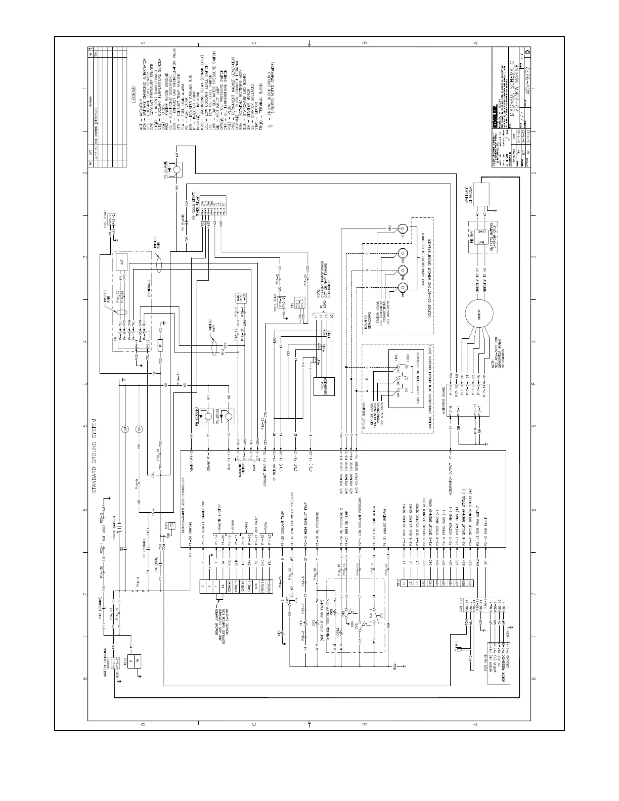
Figure 60 Wiring Diagram, Schematic (Sheet 1 of 2) for 21/24EKOZD 12-Volt Models

Table of Contents

Other manuals for Kohler 24EKOZD

Related product manuals