EasyManua.ls Logo

Kohler 24EKOZD - Page 155

Kohler 24EKOZD
168 pages
Print Icon
To Next Page IconTo Next Page
To Next Page IconTo Next Page
To Previous Page IconTo Previous Page
To Previous Page IconTo Previous Page
Loading...
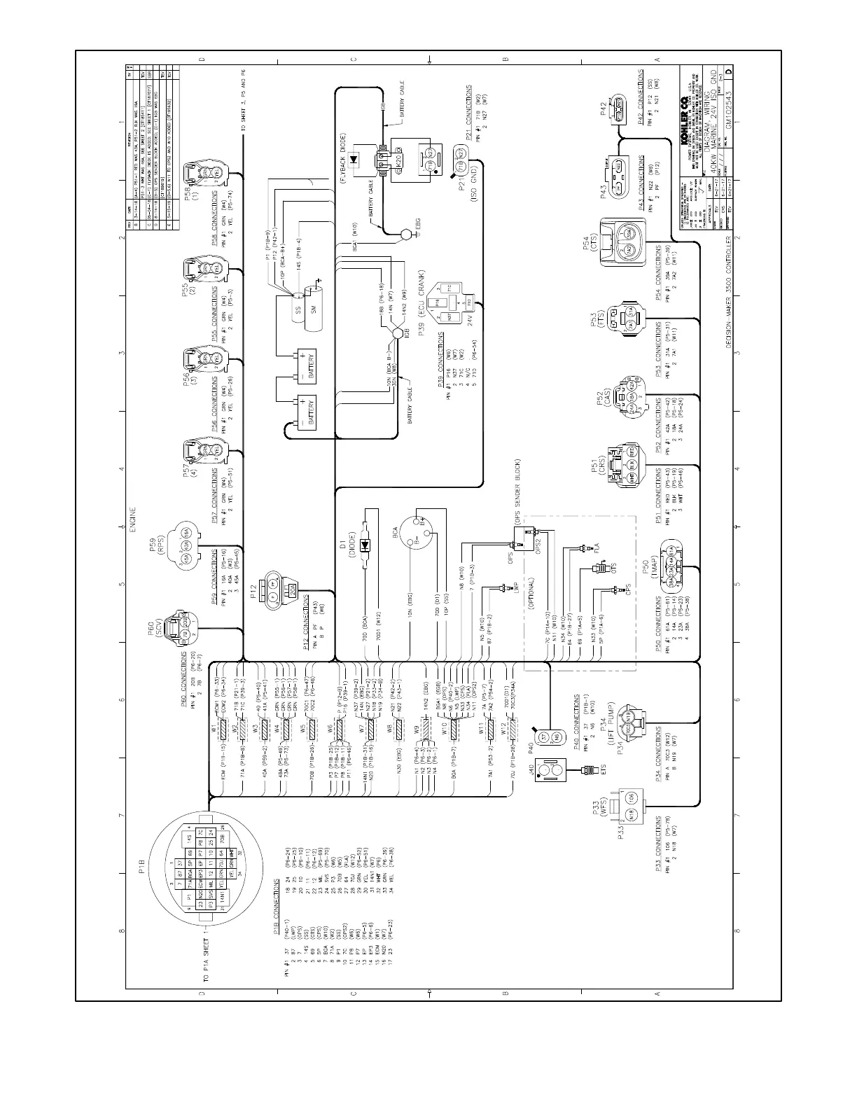
TP-7044 6/23 155
Figure 102 Wiring Diagram, Point-to-Point (Sheet 2 of 3) for 40EKOZD/35EFKOZD 24-Volt, Isolated Ground Models

Table of Contents

Other manuals for Kohler 24EKOZD

Related product manuals