EasyManua.ls Logo

Kohler 32EKOZD

Kohler 32EKOZD
168 pages
To Next Page IconTo Next Page
To Next Page IconTo Next Page
To Previous Page IconTo Previous Page
To Previous Page IconTo Previous Page
Loading...
TP-7044 6/23 105
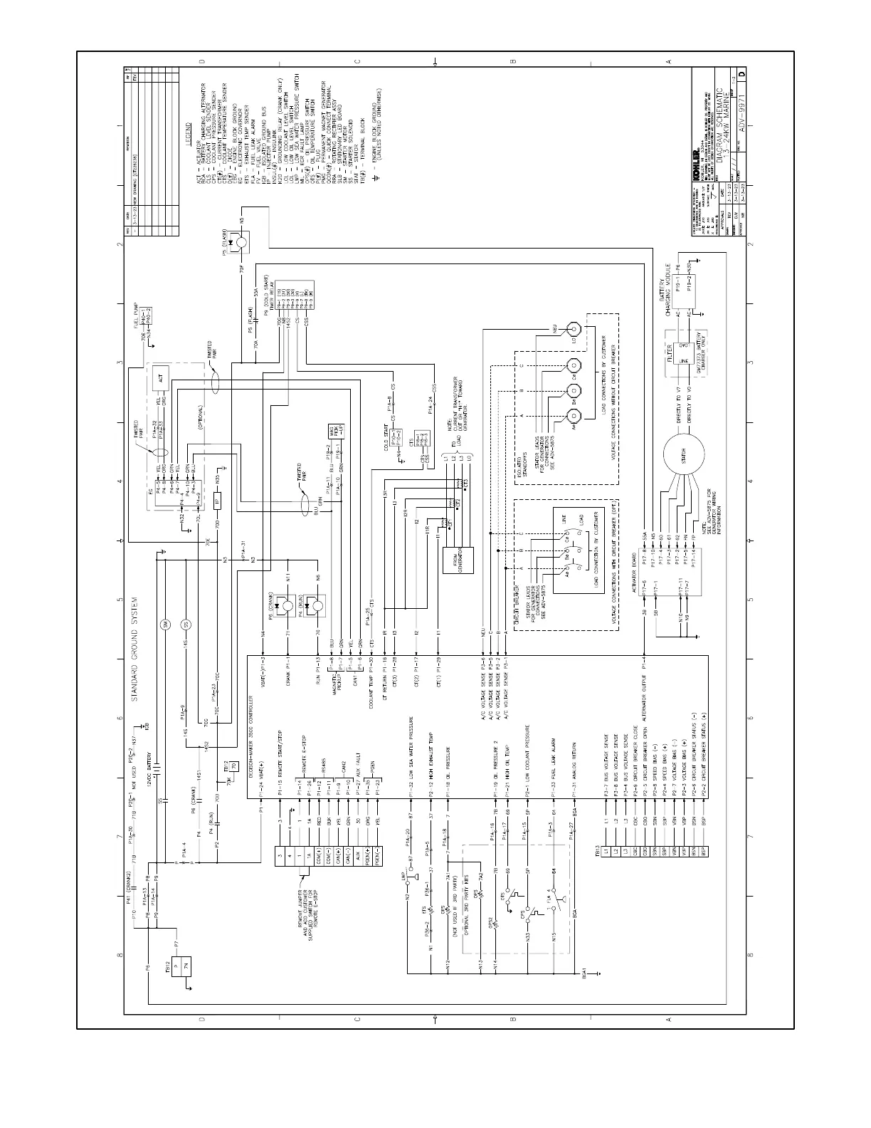
Figure 52 Wiring Diagram, Schematic (Sheet 1 of 2) for 14/16EKOZD Models

Table of Contents

Other manuals for Kohler 32EKOZD

Related product manuals