EasyManua.ls Logo

Kohler CH260 - Page 36

Kohler CH260
76 pages
Print Icon
To Next Page IconTo Next Page
To Next Page IconTo Next Page
To Previous Page IconTo Previous Page
To Previous Page IconTo Previous Page
Loading...
36
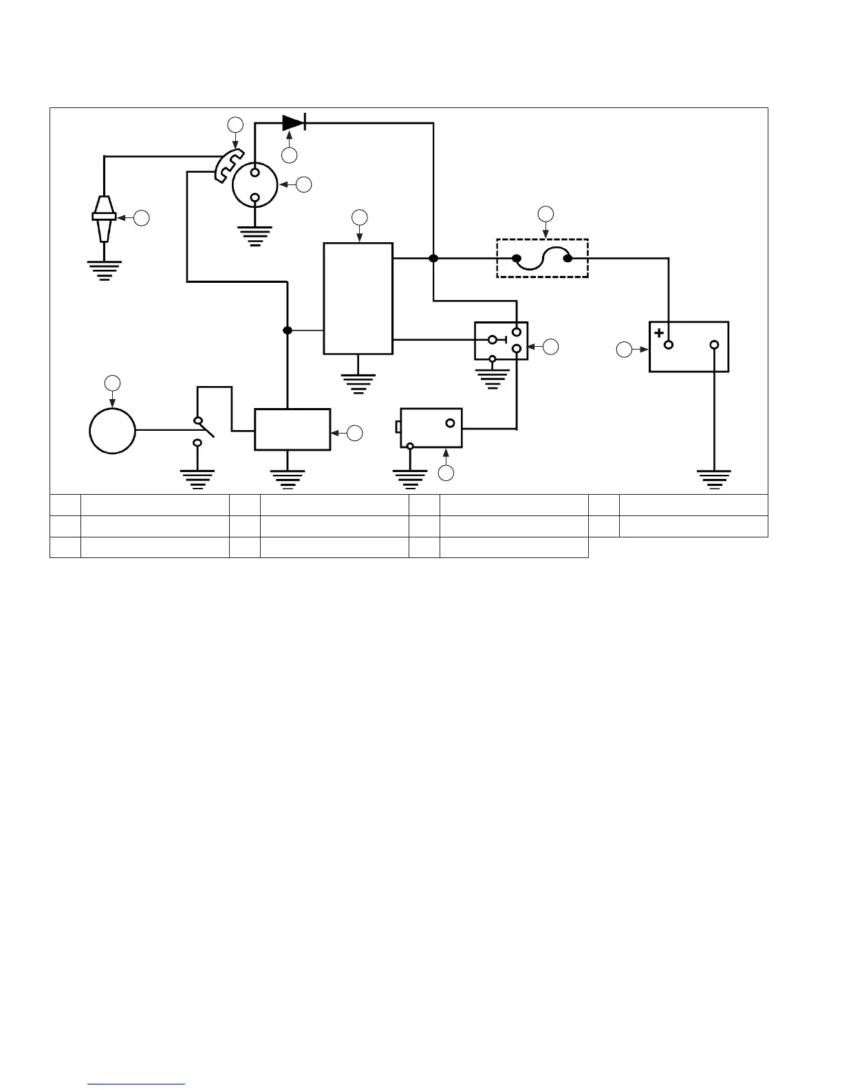
Electrical System
KohlerEngines.com 17 690 01 Rev. F
Wiring Diagram-3/4 Amp Charging System, Recti ed Only
B
I
F
D
C
G
J
E
A
H
K
A Diode B Stator C Ignition Module D Spark Plug
E Oil Float Switch F Oil Control Module G Key Switch H Starter Motor
I Relay J Battery Fuse K 12 Volt Battery

Related product manuals