EasyManua.ls Logo

Kohler CH260 - Page 6

Kohler CH260
76 pages
Print Icon
To Next Page IconTo Next Page
To Next Page IconTo Next Page
To Previous Page IconTo Previous Page
To Previous Page IconTo Previous Page
Loading...
6
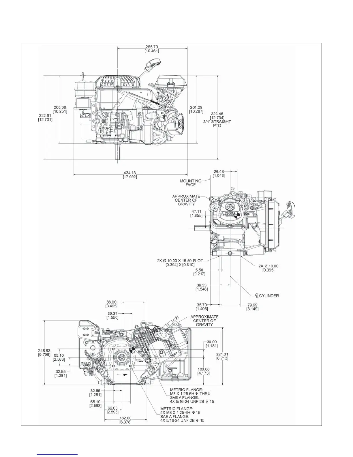
Speci cations
KohlerEngines.com 17 690 01 Rev. F
CH260/CH270 Engine Dimensions
Dimensions in millimeters.
Inch equivalents shown in [ ].

Related product manuals