EasyManua.ls Logo

Kohler Command CH25 - Page 8

Kohler Command CH25
232 pages
Print Icon
To Next Page IconTo Next Page
To Next Page IconTo Next Page
To Previous Page IconTo Previous Page
To Previous Page IconTo Previous Page
Loading...
1.6
Section 1
Safety and General Information
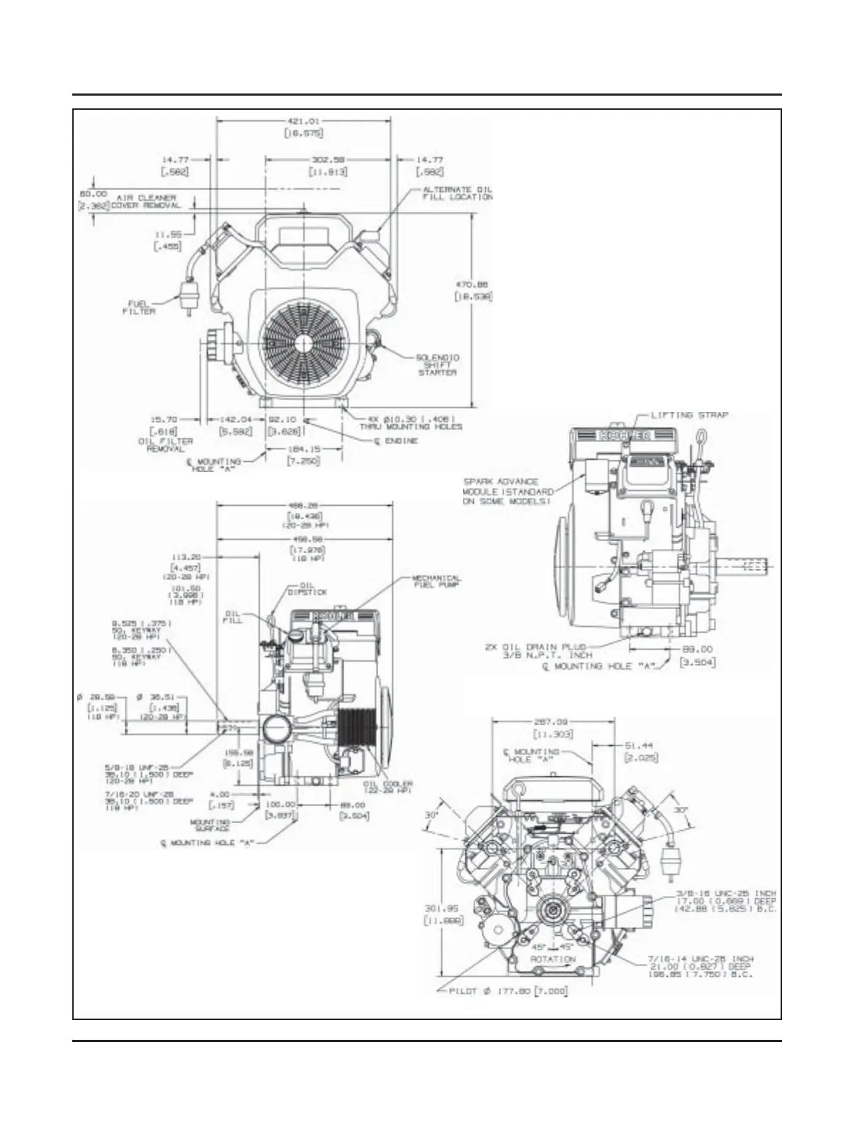
Figure 1-4. Typical Engine Dimensions CH Series with Standard Flat Air Cleaner.
Dimensions in millimeters.
Inch equivalents shown in [ ].

Related product manuals