EasyManua.ls Logo

Kohler Command CV750 - Page 35

Kohler Command CV750
92 pages
Print Icon
To Next Page IconTo Next Page
To Next Page IconTo Next Page
To Previous Page IconTo Previous Page
To Previous Page IconTo Previous Page
Loading...
3524 690 07 Rev. H KohlerEngines.com
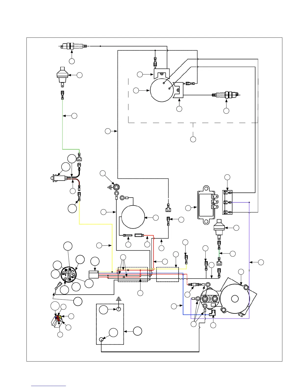
Electrical System
Wiring Diagram-15/20/25 Amp Regulated Battery Charging System with Fixed Timing
E
K
B
W
F
C
H
V
D
B
I
F
T
V
N
A
AD
G
L
M
P
R
Q
S
T
U
V
V
R
AM
R
AN
A
J
O
V
X
AF
AH
AI
AJ
AL
AK
AO
R
AA
AB
Y
T
Z
AC
AG
AE
V
AH

Other manuals for Kohler Command CV750

Related product manuals