EasyManua.ls Logo

Kohler Command CV750 - Page 37

Kohler Command CV750
92 pages
Print Icon
To Next Page IconTo Next Page
To Next Page IconTo Next Page
To Previous Page IconTo Previous Page
To Previous Page IconTo Previous Page
Loading...
3724 690 07 Rev. H KohlerEngines.com
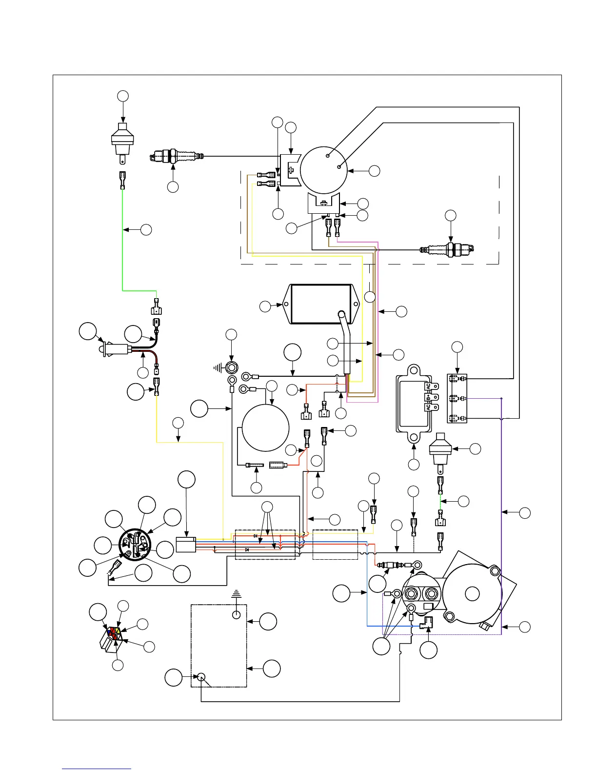
Electrical System
Wiring Diagram-15/20/25 Amp Regulated Battery Charging System with Smart-Spark
TM
F
B
A
AA
W
H
Z
N
I
F
X
K
C
D
Q
P
E
C
G
M
A
O
R
S
K
T
L
K
J
J
W
W
U
T
T
V
AB
AC
Y
AP
AS
AR
AQ
AN
AO
AT
AT
AH
W
W
AM
AK
AE
AF
AG
AH
AI
AJ
D
E
AD
AL
W
K
W
T

Other manuals for Kohler Command CV750

Related product manuals