EasyManua.ls Logo

Kohler Command PRO CH23 - Page 45

Kohler Command PRO CH23
96 pages
Print Icon
To Next Page IconTo Next Page
To Next Page IconTo Next Page
To Previous Page IconTo Previous Page
To Previous Page IconTo Previous Page
Loading...
3724 690 06 Rev. K KohlerEngines.com
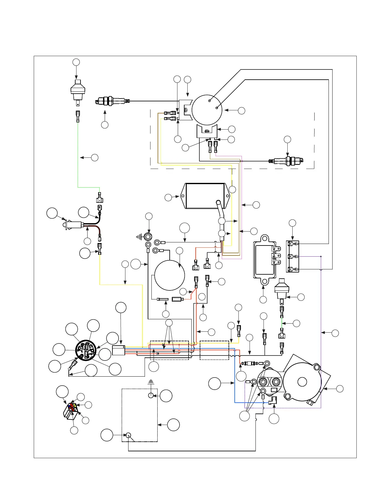
Electrical System
B
A
C
N
Q
A
O
R
Z
I
X
M
L
K J
J
AA
W
AB
AC
AR
P
AQ
AP
AS
AN
AO
AH
S
K
T
U
T
T
V
W
W
Y
W
AP
AM
F
H
F
C
D
E
G
D
E
AD
AK
AE
AF
AG
AH
AI
AJ
AL
K
W
T
W
Wiring Diagram-15/20/25 Amp Regulated Battery Charging System with Variable Ignition Timing SMART-
SPARK
K
AT
AT

Related product manuals