EasyManua.ls Logo

Kohler command pro PCH740 - Page 47

Kohler command pro PCH740
88 pages
Print Icon
To Next Page IconTo Next Page
To Next Page IconTo Next Page
To Previous Page IconTo Previous Page
To Previous Page IconTo Previous Page
Loading...
Lubrication System
4724 690 32 Rev. A KohlerEngines.com
This engine uses a full pressure lubrication system which delivers oil under pressure to crankshaft, camshaft,
connecting rod bearing surfaces, and hydraulic valve lifters.
A high-ef ciency gerotor oil pump maintains high oil ow and oil pressure, even at low speeds and high operating
temperatures. A pressure relief valve limits maximum pressure of system. Closure plate must be removed to service
oil pickup, pressure relief valve, and oil pump.
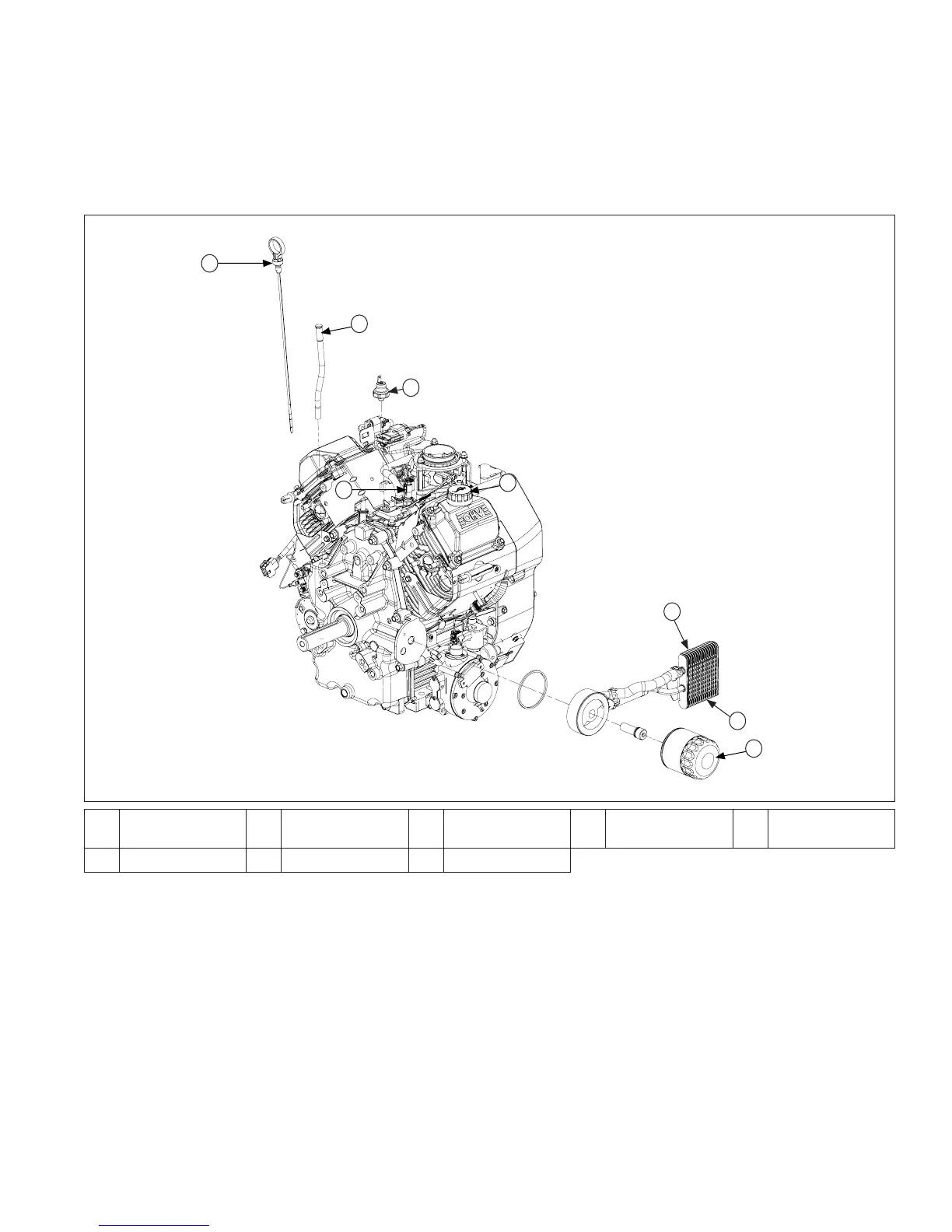
Lubrication Components
B
A
C
G
F
E
H
D
A Dipstick B Dipstick Tube C Oil Sentry
TM
D
Oil Pressure
Switch
E Oil Fill
F Back Side G Oil Cooler H Oil Filter
OIL RECOMMENDATIONS
Refer to Maintenance.
CHECK OIL LEVEL
NOTE: To prevent extensive engine wear or damage,
never run engine with oil level below or above
operating range indicator on dipstick.
Ensure engine is cool. Clean oil ll/dipstick areas of any
debris.
1. Remove dipstick; wipe oil off.
2. Reinsert dipstick into tube; press completely down.
3. Remove dipstick; check oil level. Level should be at
top of indicator on dipstick.
4. If oil is low on indicator, add oil up to top of indicator
mark.
5. Reinstall and secure dipstick.

Related product manuals