EasyManua.ls Logo

Kohler Lombardini 6 LD 360/C - Page 46

Kohler Lombardini 6 LD 360/C
104 pages
Print Icon
To Next Page IconTo Next Page
To Next Page IconTo Next Page
To Previous Page IconTo Previous Page
To Previous Page IconTo Previous Page
Loading...
46
UM GR 6 _cod. ED0053023850 - 3° ed_rev. 02
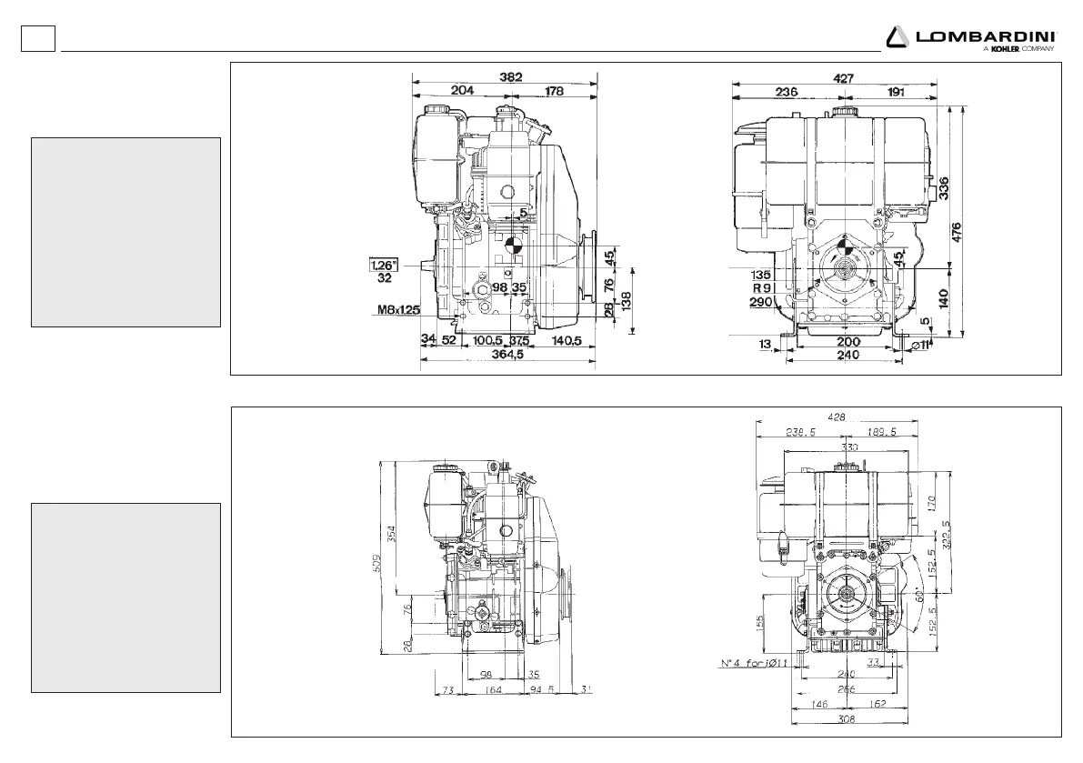
6 LD 400
DIMENSIONI D’INGOMBRO
MESURES
D’ENCOMBREMENT
OVERALL DIMENSION
EINBAUMAßE
DIMENSIONE EXTERIORES
DIMENÇÕES EXTERIORES
6 LD 435
DIMENSIONI D’INGOMBRO
MESURES
D’ENCOMBREMENT
OVERALL DIMENSION
EINBAUMAßE
DIMENSIONE EXTERIORES
DIMENÇÕES EXTERIORES
IDENTIFICAZIONE MOTORE - IDENTIFICATION MOTEUR - ENGINE TYPE
IDENTIFIZIERUNGSDATEN - IDENTIFICACION DEL MOTOR - IDENTIFICAÇÃO DO MOTOR
4

Table of Contents

Related product manuals