EasyManua.ls Logo

Komatsu 4D95LE-2 - Page 72

Komatsu 4D95LE-2
180 pages
Print Icon
To Next Page IconTo Next Page
To Next Page IconTo Next Page
To Previous Page IconTo Previous Page
To Previous Page IconTo Previous Page
Loading...
95-2 SERIES
11-37
3
STRUCTURE AND FUNCTION ELECTRICAL SYSTEM
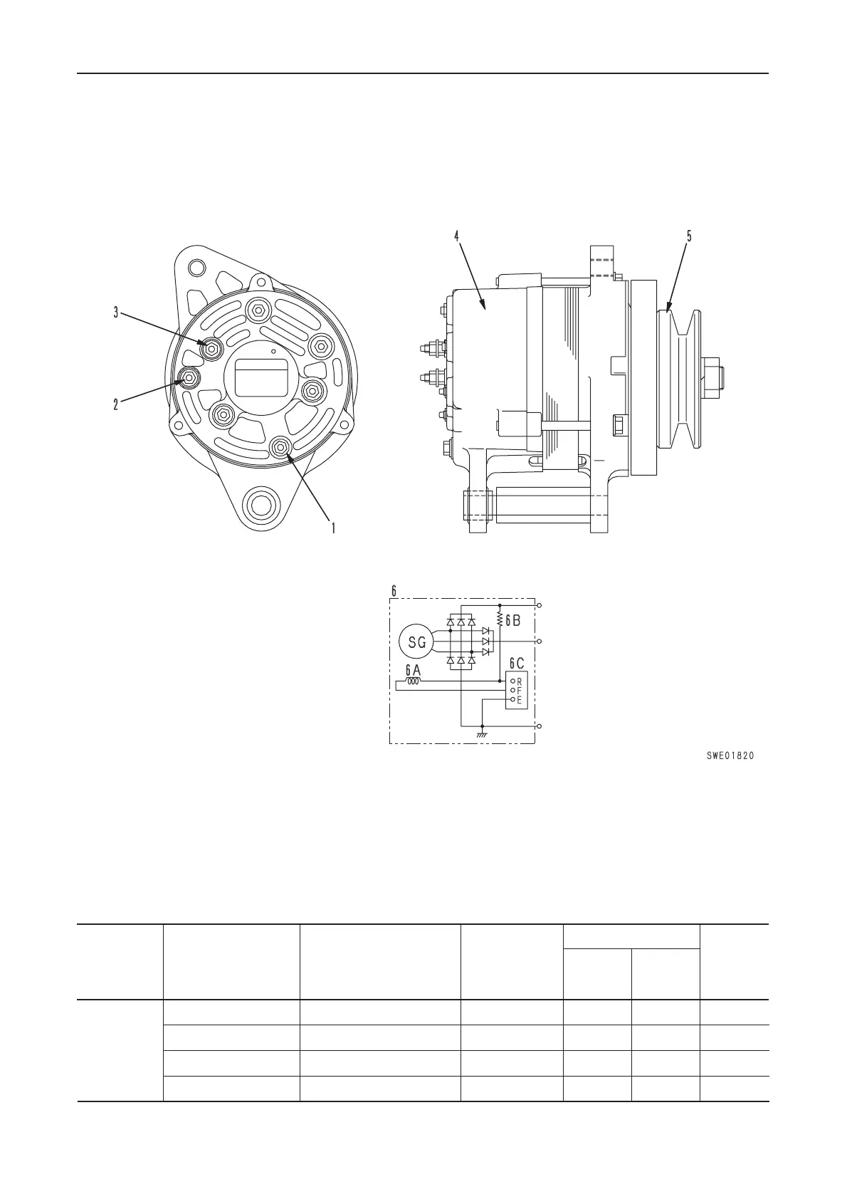
ALTERNATOR
BUILT-IN REGULATOR TYPE (25A)
PC60-7 Nikko Denki, open type 24 V, 25 A 1 95 6.0
4D95LE-2
PC75UU-3 Nikko Denki, open type 24 V, 25 A 1 95 6.0
PC78US-6, PC78UU-6 Nikko Denki, open type 24 V, 25 A 1 95 6.0
BR100JG-2 Nikko Denki, open type 24 V, 25 A 1 95 6.0
1. E terminal
2. B terminal
3. R terminal
4. Alternator
5. Alternator pulley
Pulley
Engine Machine model Type Specification
No. of
pulley
grooves
Outside
diameter
(mm)
Weight
(kg)
6. Internal connection diagram
6A. Field coil
6B. Initial excitation resistance
6C. Regulator

Related product manuals