EasyManua.ls Logo

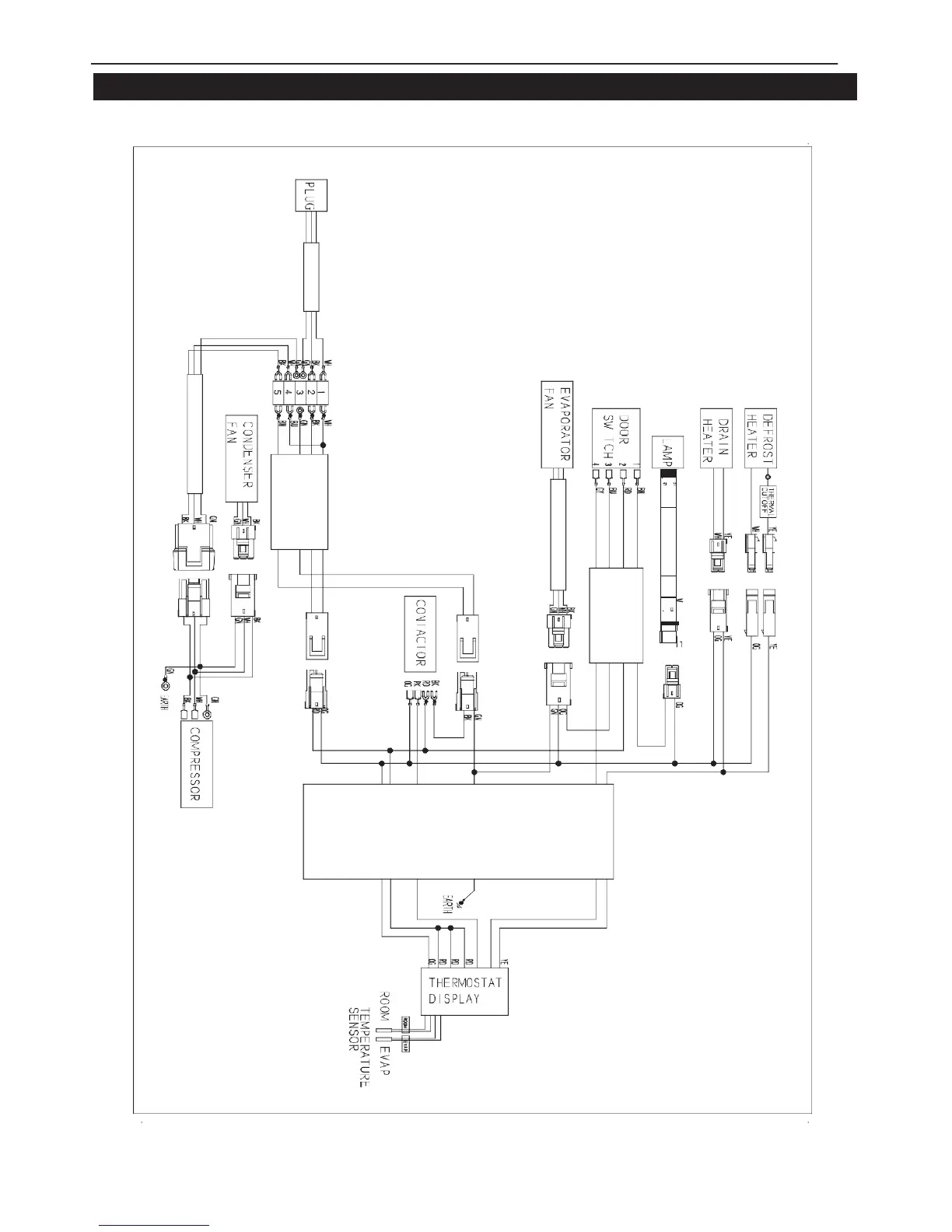
Kool-It KB54R - Model KB27 F Wiring Diagram

Kool-It KB54R
21 pages
Print Icon
To Next Page IconTo Next Page
To Next Page IconTo Next Page
To Previous Page IconTo Previous Page
To Previous Page IconTo Previous Page
Loading...
15
Service and Installation Manual
WIRING DIAGRAM
MODEL: KB27F

Related product manuals