EasyManua.ls Logo

Kool-It KGF-23 - Page 13

Kool-It KGF-23
16 pages
Print Icon
To Next Page IconTo Next Page
To Next Page IconTo Next Page
To Previous Page IconTo Previous Page
To Previous Page IconTo Previous Page
Loading...
Service and Installation Manual
16
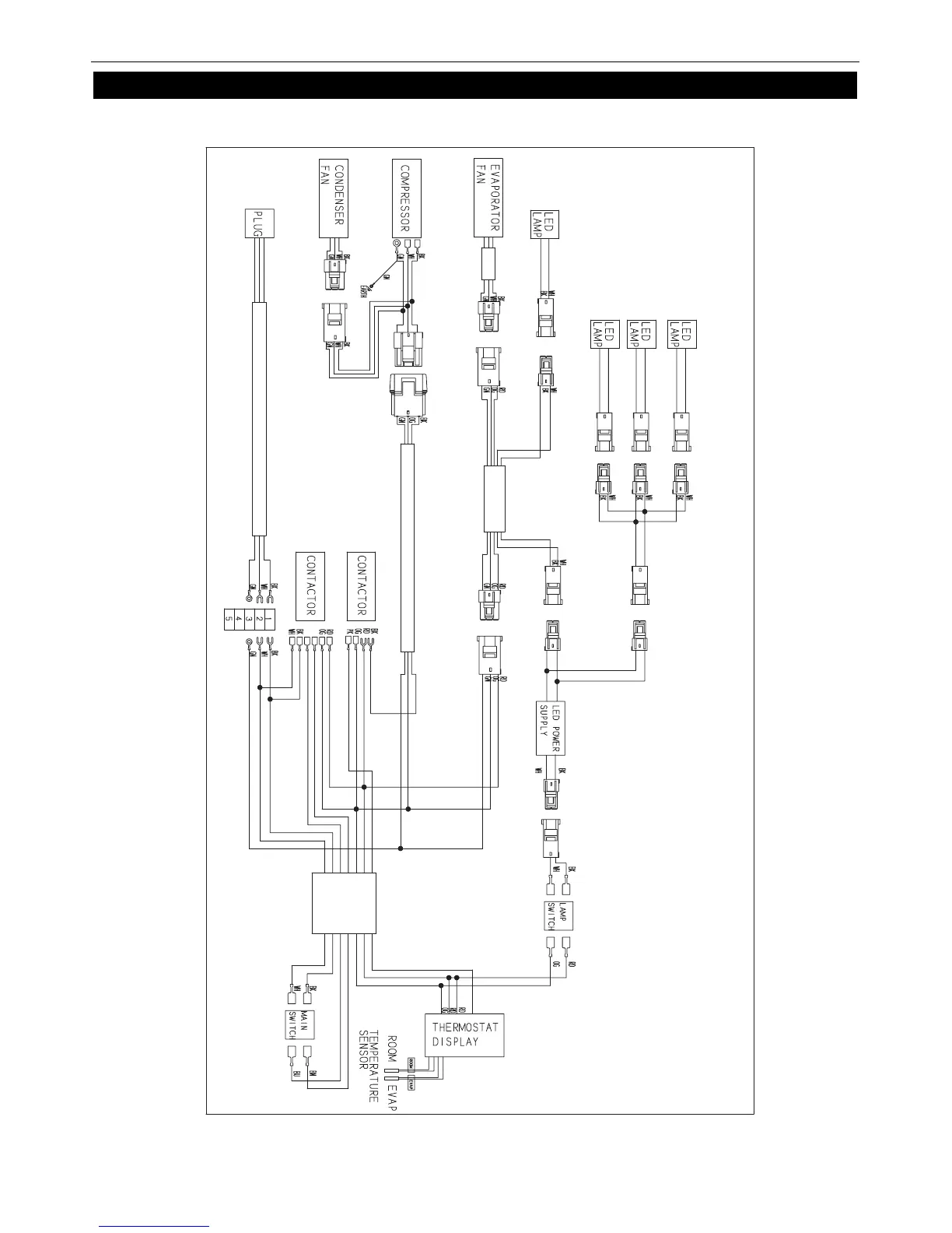
WIRING DIAGRAM
MODEL: KSM-48

Related product manuals