EasyManua.ls Logo

Kool-It KGF-23 - Page 16

Kool-It KGF-23
16 pages
Print Icon
To Previous Page IconTo Previous Page
To Previous Page IconTo Previous Page
Loading...
Service and Installation Manual
20
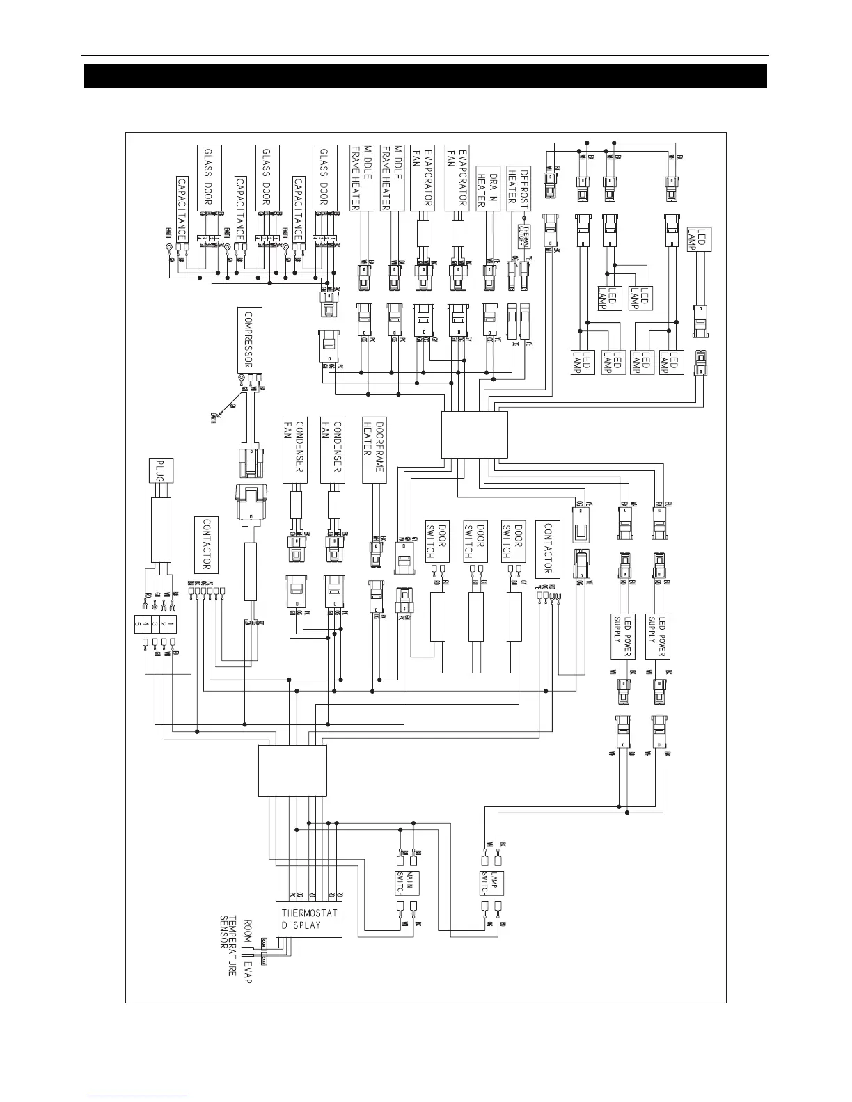
WIRING DIAGRAM
MODEL:KGF-72DV

Related product manuals