EasyManua.ls Logo

Kubler CODIX 565 - Page 97

Kubler CODIX 565
Print Icon
To Next Page IconTo Next Page
To Next Page IconTo Next Page
To Previous Page IconTo Previous Page
To Previous Page IconTo Previous Page
Loading...
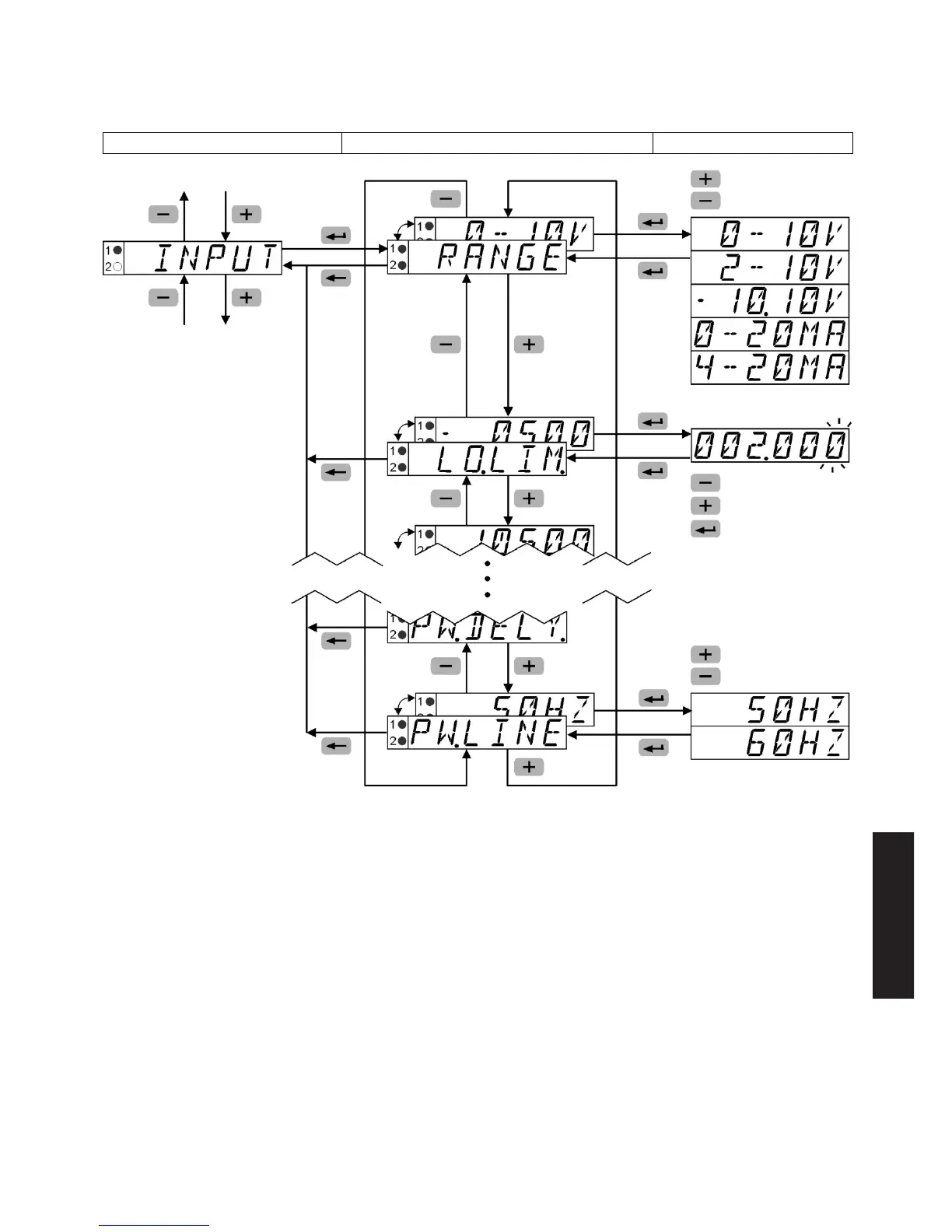
Elección de la función / Ajuste de los parámetros/ Confirmación de los parámetros
Grupos de funciones Función Parámetro
Selección del
parámetro
Selección del
parámetro
Ajuste del valor
Reducción del
v
alo
r
Aumento del valor
Selección del dígito
e
s
p
a
ñ
o
l
Página 9