EasyManua.ls Logo

KURIL K828 - Page 32

Default Icon
Print Icon
To Next Page IconTo Next Page
To Next Page IconTo Next Page
To Previous Page IconTo Previous Page
To Previous Page IconTo Previous Page
Loading...
6
7
Device to prevent the throttle trigger from operation
In advertently before it is released manually.
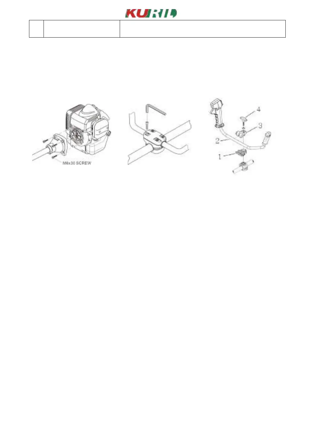
7-1. Assemble Engine with shaft tube
1. Put engine and shaft tube on the ground, then starting assembly. Fig.1
2. Lock tight M6x30 screw to prevent loosening.
7-2. Double- hand handles
K828 Standard type
1. Inset right and left handles into Handle Joint A evenly. Fig.2A
2. Adjust handle joint to most comfortable position for user.
3. Adjust handle to suitable angle.
4. Lock tight bolts.
K828 Rotation type
1. Attached handle joint (1), then, put on the One Union handle (2), with handle joint (3) in line evenly.
2. Then, tighten the Knob bolt (4) to the handlebar support Fig.2B
2. Adjust handle to suitable angle.
3. To fasten the knob bolt tightly.
7-3. Cutting attachment guard mounting
1. Insert screws into the taped holes on the additional guard and tighten the nuts with washers from guard.
2. Set the holder guard, cover bracket in this order as shown in Fig.3
3. Insert screws from over the cover bracket into the holes through spring washers and then tighten the screws.
Fig.3
7-4. Throttle wire mounting
1. Pass the throttle wire through & adjust screw. Fig.4
2. Move the carburetor swivel toward the attachment.
3. Fit the tip (thick portion) of the throttle wire into the ground hole in the swivel.
4.. Fit the tip of the throttle wire from the throttle trigger to cut in the tip of the throttle wire from the engine. Fig.5
5. Close the cover so that the arrow mark is set toward the lever by holding the joint of 2 throttle wires.
Fig.1
Fig.2A
Fig.2B