EasyManua.ls Logo

Kushlan KRM160 - Parts List and Diagram

Kushlan KRM160
16 pages
Print Icon
To Next Page IconTo Next Page
To Next Page IconTo Next Page
To Previous Page IconTo Previous Page
To Previous Page IconTo Previous Page
Loading...
15
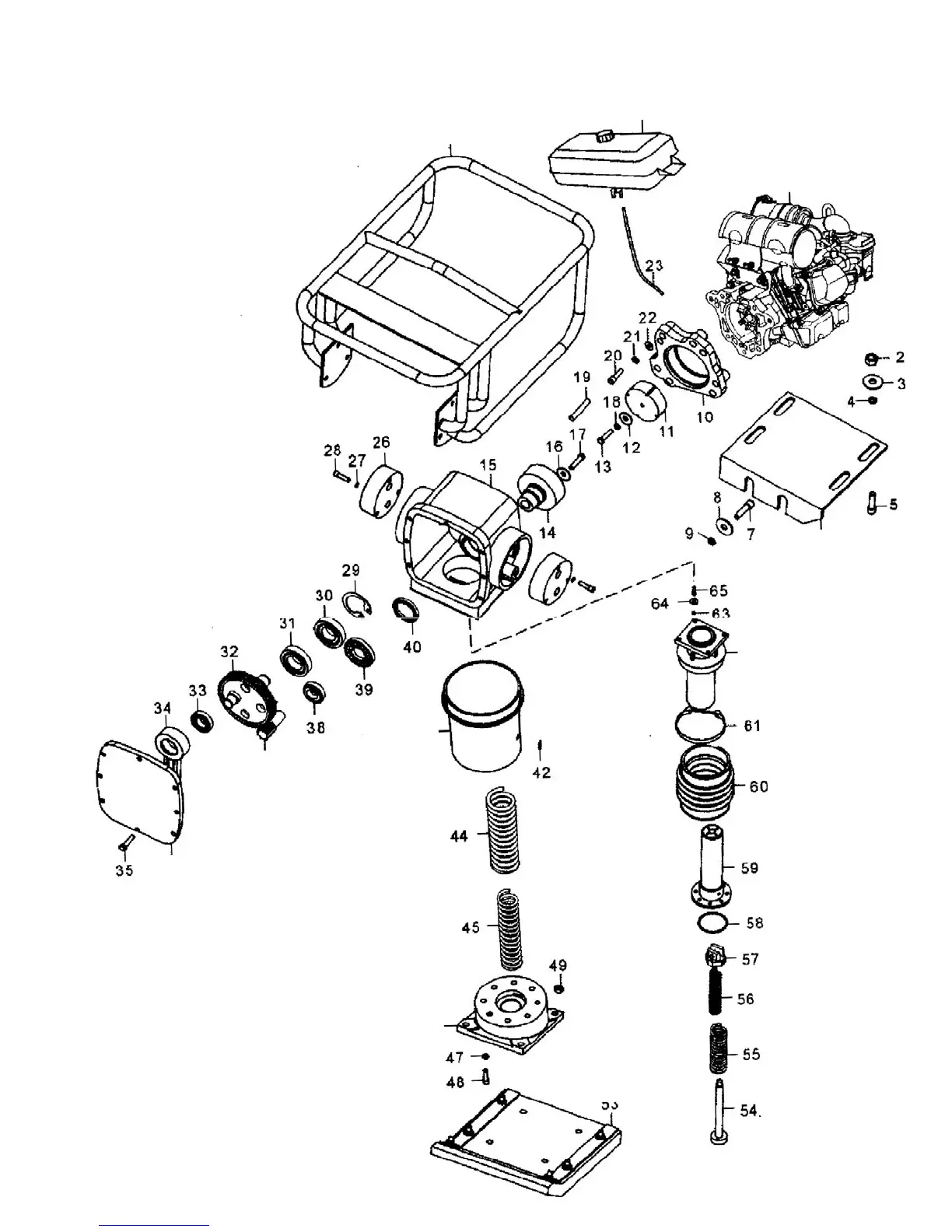
6.8 Parts List
24
25
1
6
62
41
43
37
J
36
46
--so
-s1
n-52
53