EasyManua.ls Logo

Kustom HV 100TM - Page 10

Kustom HV 100TM
12 pages
Print Icon
To Next Page IconTo Next Page
To Next Page IconTo Next Page
To Previous Page IconTo Previous Page
To Previous Page IconTo Previous Page
Loading...
10
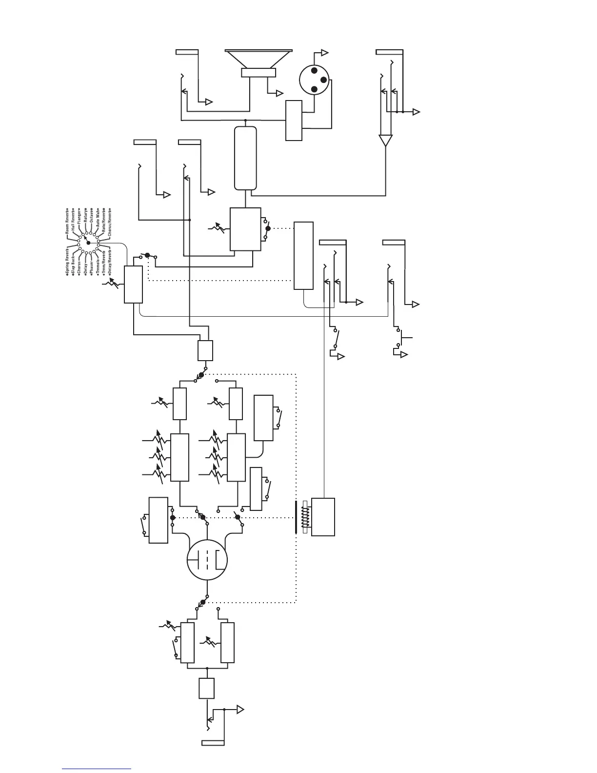
SIGNAL FLOW DIAGRAM
Input
Buffer
Guitar Input Jack
LEAD
TONE STACK
BASS
MID
TREBLE
GAIN
CHANNEL
SELECT
RELAY
RHYTHM
LEAD
GAIN
FAT/LEAN
GAIN BOOST
12AX7
GAIN STAGES
RHYTHM
TONE STACK
BASS
MID
TREBLE
RHYTHM
OVERDRIVE
LEAD
GRIND/PUNCH
CHANNEL SELECT
Ring Voltage Sensor
(RVS)
LEAD
VOLUME
RHYTHM
VOLUME
DIGITAL
EFFECTS
TAP
EFFECTS ACTIVE
TIP
SLEEVE
TAP
FT SWITCH
TIP
TIP
SLEEVE
EFFECTS
SEND
TIP
SLEEVE
EFFECTS
RETURN
POWER MODULE
-
+
TIP
SLEEVE
EXTERNAL
SPEAKER
DIRECT OUT
(SPKR EMULATED)
SPEAKER
EMULATOR
+
-
TIP
RING
SLEEVE
MAIN
FT SWITCH
TIP (L)
RING (R)
SLEEVE
CD/TAPE
INPUT
BOOST ACTIVE
BOOST
BOOST
VOLUME
Output
Buffer

Related product manuals