EasyManua.ls Logo

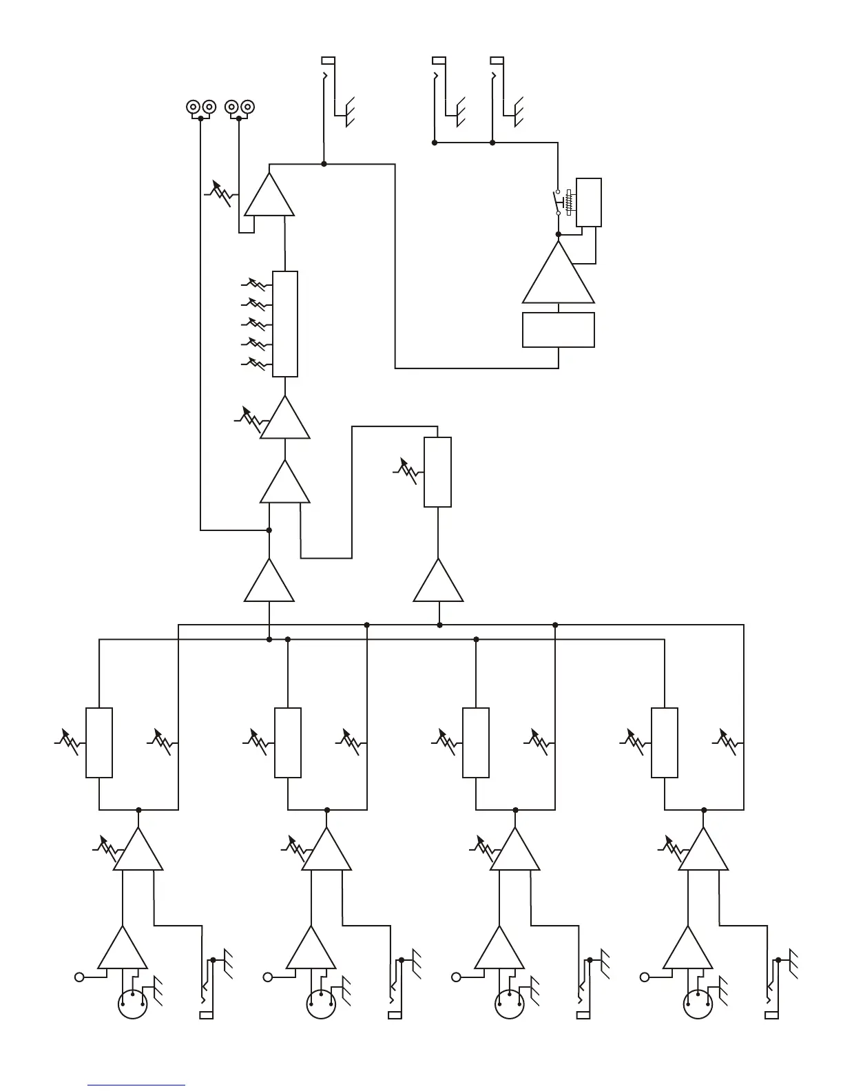
Kustom KPM4100 - Signal Flow Diagram

Kustom KPM4100
8 pages
Print Icon
To Next Page IconTo Next Page
To Next Page IconTo Next Page
To Previous Page IconTo Previous Page
To Previous Page IconTo Previous Page
Loading...
MIX
AMP
MIX
AMP
CHANNEL 1
CHANNEL 2
CHANNEL 3
CHANNEL 4
Phantom Power
Phantom Power
Phantom Power
Phantom Power
Microphone
Microphone
Microphone
Microphone
Line
Line
Line
Line
TONE
CIRCUIT
TONE
CIRCUIT
TONE
CIRCUIT
TONE
CIRCUIT
Effects
Effects
Effects
Effects
MIC
PRE
MIC
PRE
MIC
PRE
MIC
PRE
GAIN
AMP
GAIN
AMP
GAIN
AMP
GAIN
AMP
Volume
Volume
Volume
Volume
TONE
TONE
TONE
TONE
SIGNAL FLOW DIAGRAM
DIGITAL
EFFECTS
Effects
Master
EQ
1
00
500
1
K
4K
1
0K
MIX
AMP
GAIN
AMP
Main
Master
MAIN BUSS
EFFECTS BUSS
Record
Output
Playback
Fault
Sensor
POWER
AMP
POWER
LIMITER
Playback
Speaker
Protection
Line
Output
MIX
AMP
Speaker
A
Speaker
B

Related product manuals