EasyManua.ls Logo

KUULAIRE PACKA53 - Unit Controls and Remote Operation; Electrical Specifications; Cleaning and Maintenance; General Cleaning and Maintenance

KUULAIRE PACKA53
4 pages
Print Icon
To Next Page IconTo Next Page
To Next Page IconTo Next Page
To Previous Page IconTo Previous Page
To Previous Page IconTo Previous Page
Loading...
Dampen a clean cloth with water and use it on the exterior
of the unit to remove any dust or dirt.
Never use harsh detergents, solvents, and corrosive
cleaners to clean the unit. When not in use, drain
the water reservoir and store the unit in an area where it
is dry and out of sunlight.
MAINTENANCE
Regular draining, at least once each week, will decrease
the water mineral build up and extend the life of the
cooling pad. A damp cloth can be used to remove calcium
build-up inside and outside of the unit. When operating
the unit, turn Water Flow Regulator Knob to MIN position
to dry out the pad. The dust lter/cover can be removed
easily and can be cleaned weekly. The inside of the water
reservoir can be cleaned once or twice in a season to
maintain air quality.
DEEP CLEAN
Remove the screw holding the dust lter and slide out the
dust lter. Remove the cooling pad. Clean the cooling pad
with fresh water and soft bristled brush to remove debris
and mineral build-up. Fill up the reservoir with fresh
water and drain. Repeat the procedure to remove debris
and mineral build-up from the reservoir.
WARNINGS AND SAFETY RULES
!
LOCATION
PARTS DESCRIPTION
ELECTRICAL
ASSEMBLY INSTRUCTIONS
WARRANTY
CLEANING AND MAINTENANCE
TECHNICAL SPECIFICATIONS
TROUBLESHOOTING
REMOTE CONTROL
USE AND OPERATION
!
WARNING: Unplug the unit from power
outlet prior to moving or servicing, or
lling or draining the water reservoir.
WARNINGS AND SAFETY RULES
!
LOCATION
PARTS DESCRIPTION
ELECTRICAL
ASSEMBLY INSTRUCTIONS
WARRANTY
CLEANING AND MAINTENANCE
TECHNICAL SPECIFICATIONS
TROUBLESHOOTING
REMOTE CONTROL
USE AND OPERATION
!
WARNINGS AND SAFETY RULES
!
LOCATION
PARTS DESCRIPTION
ELECTRICAL
ASSEMBLY INSTRUCTIONS
WARRANTY
CLEANING AND MAINTENANCE
TECHNICAL SPECIFICATIONS
TROUBLESHOOTING
REMOTE CONTROL
USE AND OPERATION
!
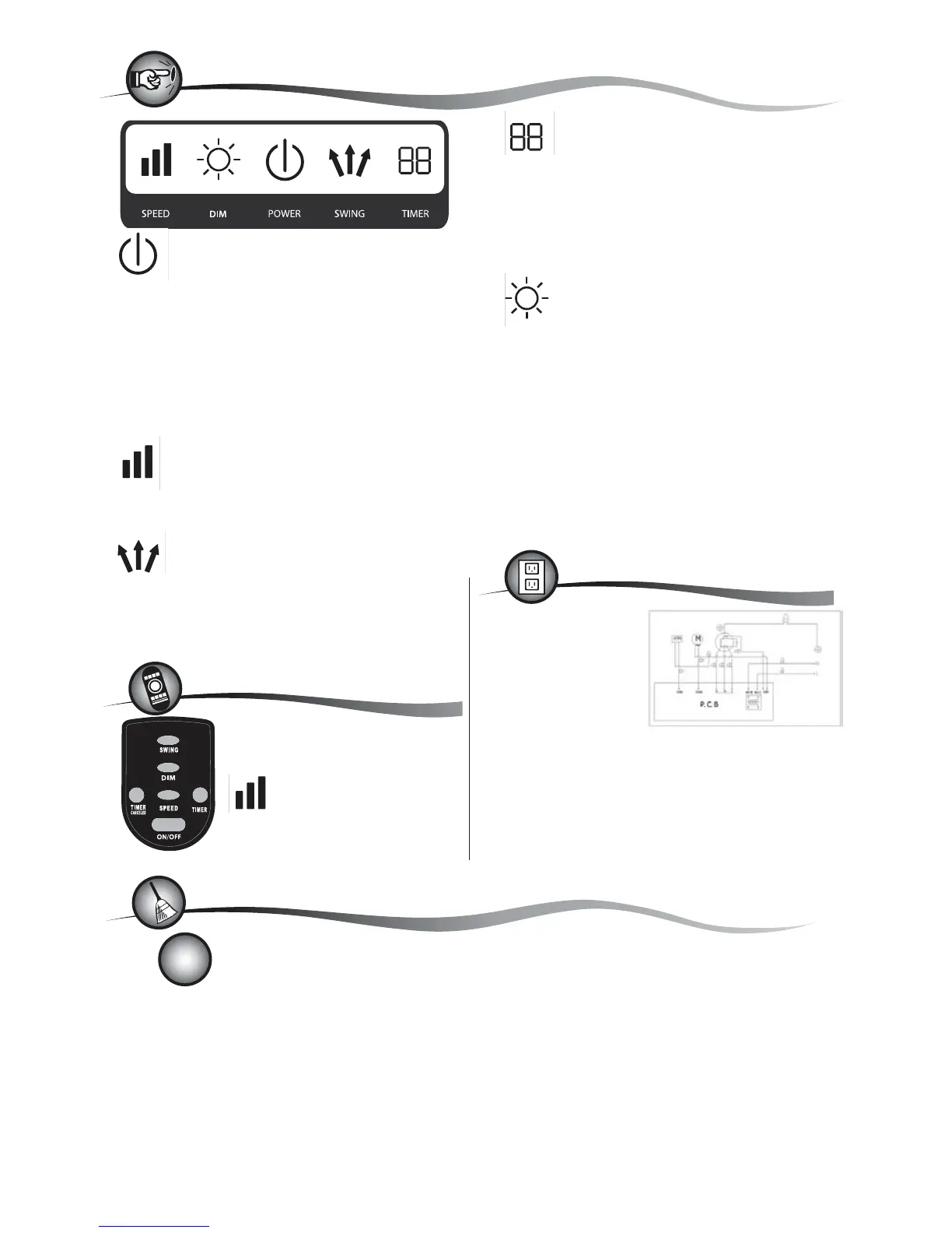
POWER
1. Plug the cord to a power outlet. The amber power
icon will be illuminated with an audible sound. The
unit is in Standby mode.
2. Press POWER button to turn on the unit. Display will
illuminate and the POWER icon will turn green. When the
POWER button is pressed, the fan will start at MEDIUM speed
momentarily and switch to LOW speed. To turn off the unit
press the POWER button again.
SPEED
Press the SPEED button to select the desired fan speed.
The selected fan speed indicator LED light will light up.
Fan speed settings are 1( LOW) - 2 (MEDIUM) - 3 (HIGH).
SWING:
Press the SWING button to direct the air stream. The
vertical louvers will begin to move automatically from
side to side. The indicator LED will come on. To adjust
the vertical direction of air ow, adjust the horizontal louvers
manually.
TIMER
The unit comes with a 8-hour timer function. To set
the timer, press the TIMER button to a desired operation time.
The selected time will be displayed. When the selected time
has elapsed, the unit will automatically shut off. In order to
cancel the TIMER function, press and hold the TIMER button
until the display shows 00.
DIM
Press DIM button once to reduce illumination from
control panel. Press DIM or any button to cancel the
DIM function.
COOL
To use the unit as an evaporative cooler, adjust the WATER
FLOW REGULATOR KNOB on the side panel. Water will be
pumped up to the water distributor compartment and start
wetting out the cellulose cooling pad in the rear of the unit.
After approximately three minutes, as the pad becomes
saturated, the air from the outlet should be cool. Turn the
knob to MIN position when ‘Cool’ function is not desired.
WARNINGS AND SAFETY RULES
!
LOCATION
PARTS DESCRIPTION
ELECTRICAL
ASSEMBLY INSTRUCTIONS
WARRANTY
CLEANING AND MAINTENANCE
TECHNICAL SPECIFICATIONS
TROUBLESHOOTING
REMOTE CONTROL
USE AND OPERATION
!
Water Reservoir Capacity 15 Liters/4 gallons
Dimensions (cm) 75 H x 41 W x 39 D
Dimensions (inches) 33.75 H x 16.5 W x 15.5 D
Shipping Weight 12.0 kg/26 lbs.
ELECTRICAL
POWER – start or turn off the unit
SWING - automatic swing of louvers
DIM - display illumination dimmed
SPEED - Symbol 1 bar (Low)
Symbol 2 bars (Medium)
Symbol 3 bars (High)
TIMER - timer function up to 8 hours
TIMER CANCELED - cancels timer program
Model No. PACKA53
(110-120V 60Hz, 150W)
Model No. PACKA53-22050
(220-240V 50Hz, 150W)
Model No. PACKA53-22060
(220-240V 60Hz, 150W)
139mm W x 30mm H
PACKA54 CONTROL PANEL
10/24/2011