EasyManua.ls Logo

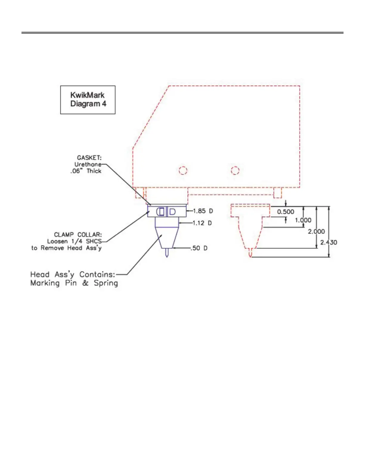
Kwik Mark KM-64 - Head Assembly Detail Diagram

Kwik Mark KM-64
47 pages
Print Icon
To Next Page IconTo Next Page
To Next Page IconTo Next Page
To Previous Page IconTo Previous Page
To Previous Page IconTo Previous Page
Loading...
Section 6.0 - Machine Diagrams
Work Safely. Always wear safety glasses near the machine.
Close-up dimensions for clearing obstructions
Notes:
Pin extends approximately 0.150” from below view when “ON”
Pin diameter is: 0.1250”
Pin is solid carbide
Standard angle of tip: 90 degrees