EasyManua.ls Logo

Kwik Mark KM-64 - Page 43

Kwik Mark KM-64
47 pages
Print Icon
To Next Page IconTo Next Page
To Next Page IconTo Next Page
To Previous Page IconTo Previous Page
To Previous Page IconTo Previous Page
Loading...
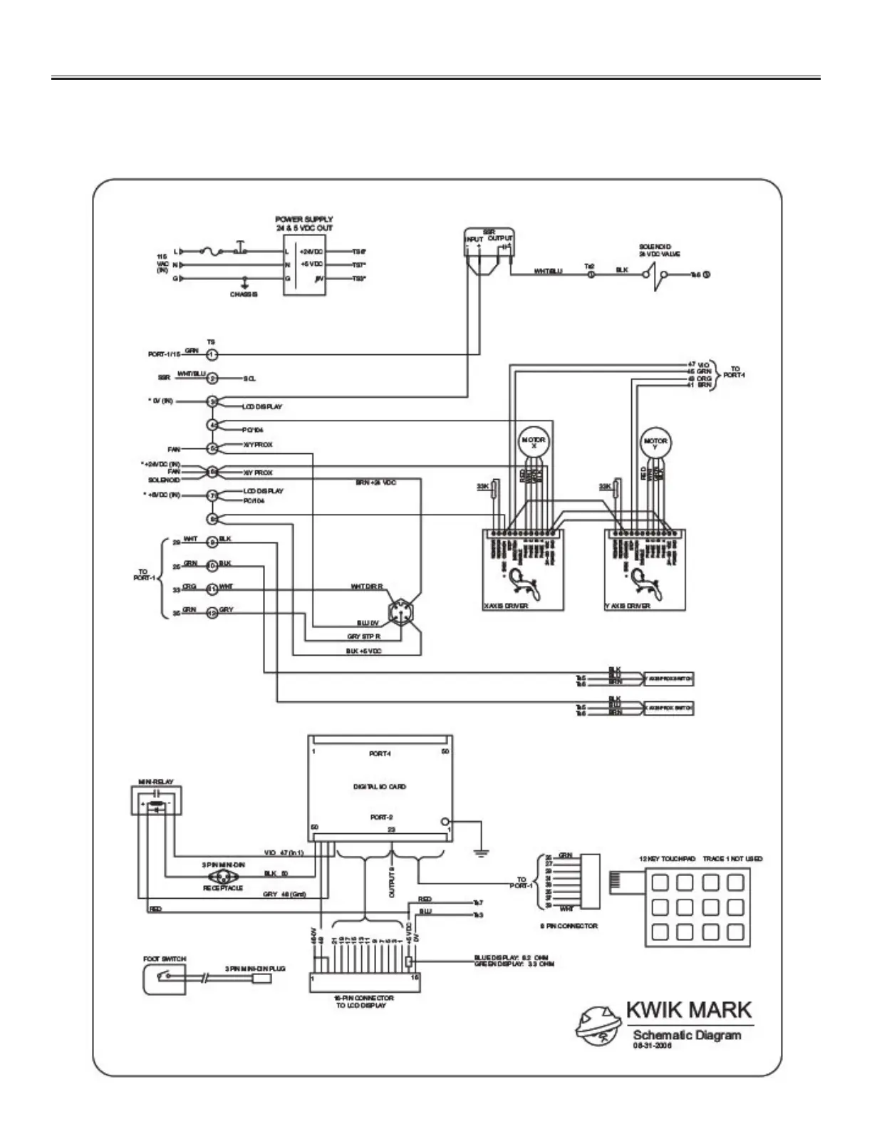
Sections 9.0 - Electrical Schematic
Work Safely. Always wear safety glasses near the machine.