EasyManua.ls Logo

La Monferrina G2 - Page 56

La Monferrina G2
58 pages
Print Icon
To Next Page IconTo Next Page
To Next Page IconTo Next Page
To Previous Page IconTo Previous Page
To Previous Page IconTo Previous Page
Loading...
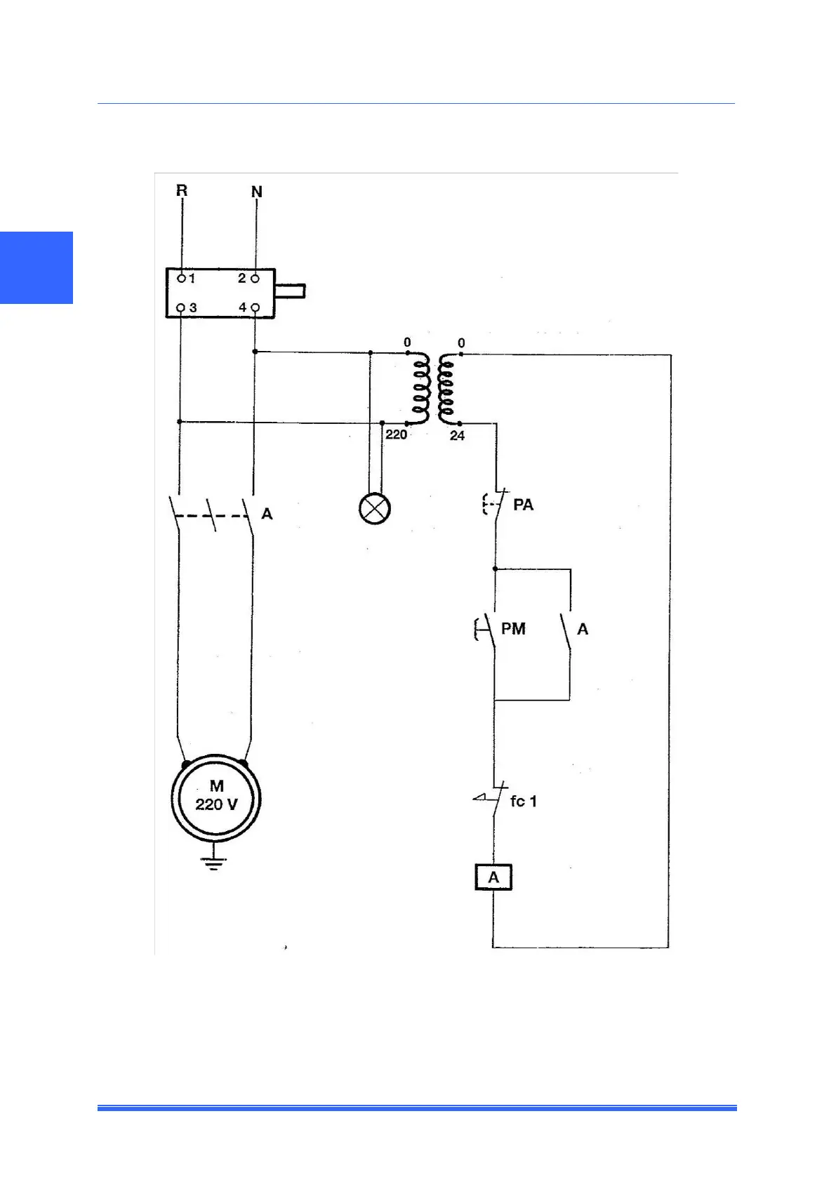
Wiring diagram IMPERIA & MONFERRINA S.p.A.
52 G2
GB
Wiring diagram 220V single-phase