EasyManua.ls Logo

La Spaziale RAPID - Page 35

La Spaziale RAPID
104 pages
Print Icon
To Next Page IconTo Next Page
To Next Page IconTo Next Page
To Previous Page IconTo Previous Page
To Previous Page IconTo Previous Page
Loading...
INSTRUCTIONMANUALFORTHEINSTALLER








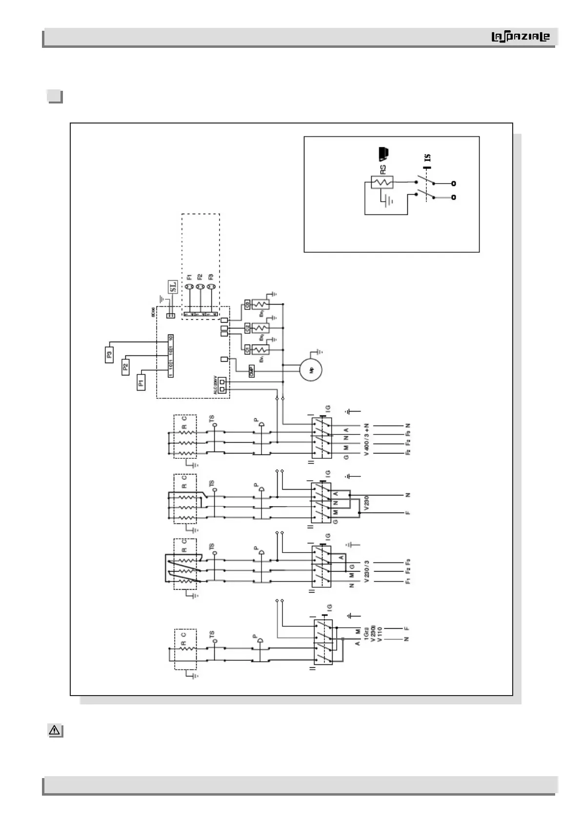
CONTROLUNIT

Table of Contents

Other manuals for La Spaziale RAPID

Related product manuals