EasyManua.ls Logo

Laars VW - Page 19

Laars VW
32 pages
Print Icon
To Next Page IconTo Next Page
To Next Page IconTo Next Page
To Previous Page IconTo Previous Page
To Previous Page IconTo Previous Page
Loading...
Mighty Therm VW - PW Volume Water Heaters
Page 19
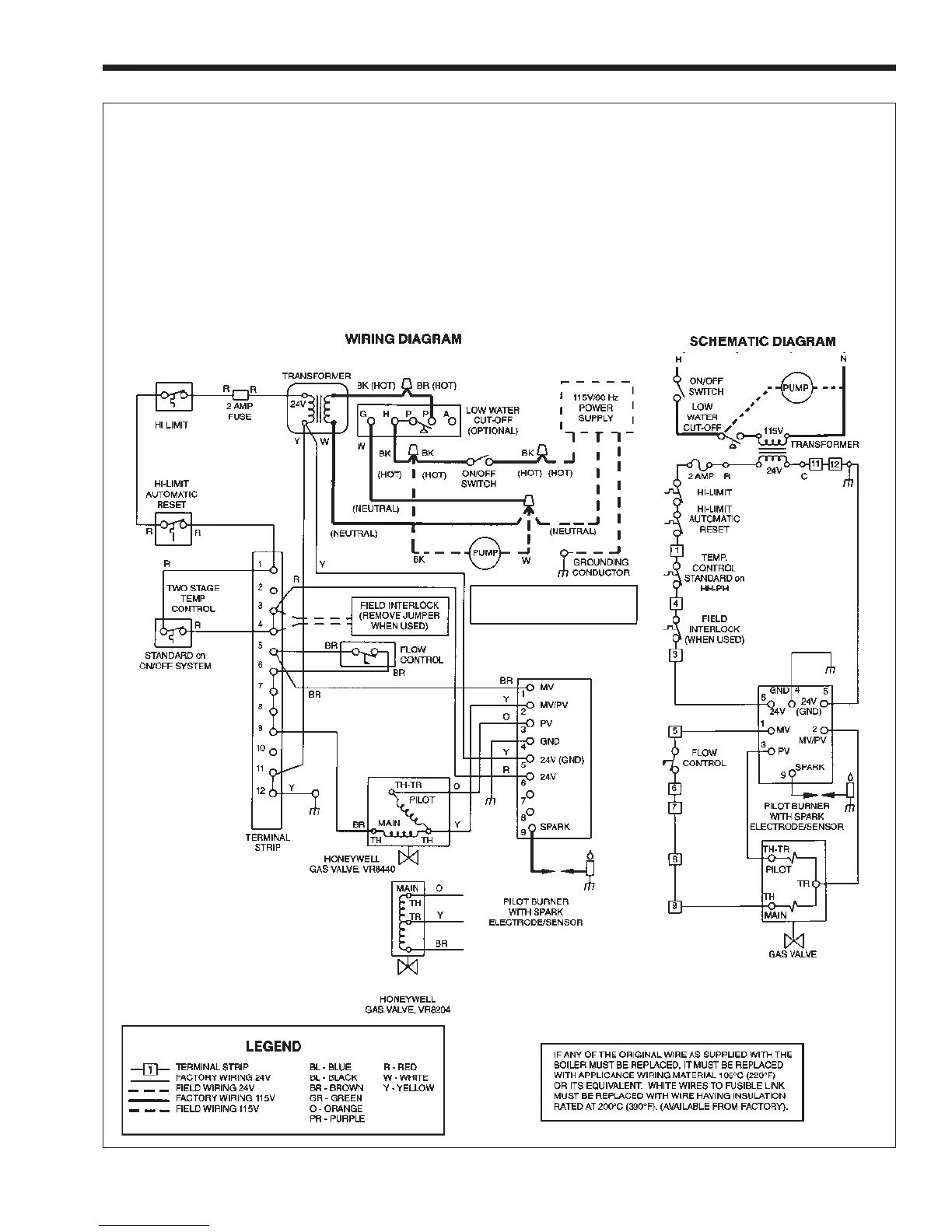
Figure 27. Typical example of wiring schematic, System 12.
IGNITION SYSTEM NO. 12 - ELECTRONIC IGNITION
ON/OFF OR MECHANICAL MODULATION
Volume Water Heaters (325-400) Version B
Natural or Propane Gas
PUMP INCLUDED ON PW
MODELS, FIELD SUPPLIED
ON VW MODELS

Table of Contents

Related product manuals