EasyManua.ls Logo

Lasermet ICS-5 - Page 5

Lasermet ICS-5
8 pages
Print Icon
To Next Page IconTo Next Page
To Next Page IconTo Next Page
To Previous Page IconTo Previous Page
To Previous Page IconTo Previous Page
Loading...
ICS Contactors Wiring Manual
01518-53-000
Page 5 of 8
Issue 2 13 January 2020
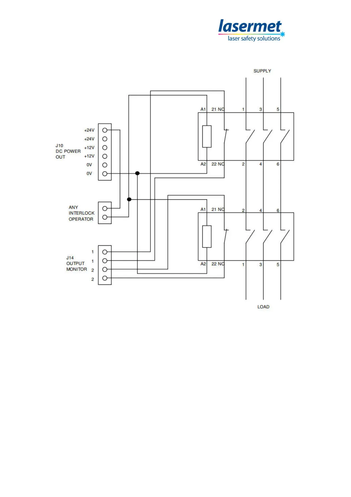
The control wiring is shown below.
Lasermet provides a full range of laser interlock equipment including control systems, interlock
switches, illuminated warning signs, laser shutters, door locks, external power supplies etc. which
can be connected to provide a complete laser interlock system. Full support, design and installation
is available from Lasermet, please contact us for any queries. Contact details are given at the end of
this manual.