EasyManua.ls Logo

Lawler 911 - Installation Figures and Records; Typical Installation Figure 1; Typical Installation Figure 2

Lawler 911
6 pages
Print Icon
To Next Page IconTo Next Page
To Next Page IconTo Next Page
To Previous Page IconTo Previous Page
To Previous Page IconTo Previous Page
Loading...
GUARANTEE
We guarantee the Lawler Mixing Valve to be free from def ects in workmanship and material, and for
a period of one year from date of purchase, will replace any parts found by us to be defective. We will
not be held responsible, however, for any labor incidental to, or for any damages caused by defective
material. Each mixing valve is thoroughly inspected and tested under actual conditions at our factory.
STORAGE
TANK
WATER
HEATER
HEAT TRAP
27” DROP
CW
CW
HW
CV
CV
TO LOW
TEMPERATURE
FIXTURES
Water heater must
be installed per
manufacturers O+M
CV
MODEL 911
STORAGE
TANK
WATER
HEATER
HEAT TRAP
27” DROP
RECIRCULATION
PUMP
CW
CW
HW
CV
CV
CV
TO LOW
TEMPERATURE
FIXTURES
Water heater must
be installed per
manufacturers O+M
CV
MODEL 911
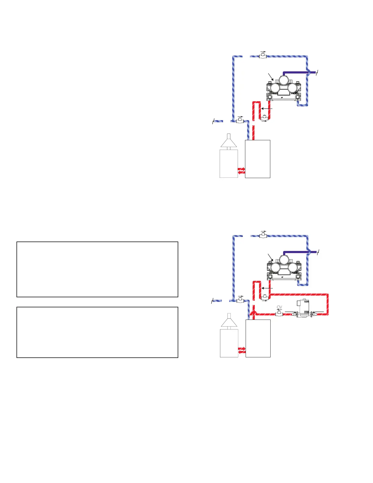
Typical Installation Figure 1
When installed at or near the water heater and without a
recirculation system:
Install the valve as shown in Figure 1 with the mixing valve
positioned below the hot water tank or heater. If this is not
possible, pipe in a heat trap as shown.
Typical Installation Figure 2
When installed away from the water heater with a
recirculating pump on the hot water supply line:
Install the mixing valve as shown in Figure 2. The non-
circulated loop should be limited to 10 feet and must be
ushed periodically.
Notes: If the valve is installed 20 feet or more from the water heater, it is
important to recirculate the hot water supply to the mixing valve.
The mixing valve must be installed with inlet check valves and the shower
or the Eyewash/Facewash xture should be installed 4 to 10 feet from the
mixing valve. Hot and cold water inlet pressures must be equal.
Provisions shall be made to thermally isolate the valve.
Figure 1
Valve must be installed with check valves
Figure 2
Valve must be installed with check valves
WARNING: This product contains chemicals known
to the State of California to cause cancer and birth
defects or other reproductive harm.
(Installer: California law requires that this warning
be given to the consumer.)
For more information: www.oehha.org/prop65
CAUTION: The cold water line must be installed so
that it is not affected by excessively hot ambient
temperatures. Provisions shall be made to thermally
isolate the valve. Cold water pipe installed in the
ceilings of boiler rooms or rooms that increase
ambient temperature require a recirculating pump.