EasyManua.ls Logo

lb pa Series - Page 12

lb pa Series
28 pages
Print Icon
To Next Page IconTo Next Page
To Next Page IconTo Next Page
To Previous Page IconTo Previous Page
To Previous Page IconTo Previous Page
Loading...
12
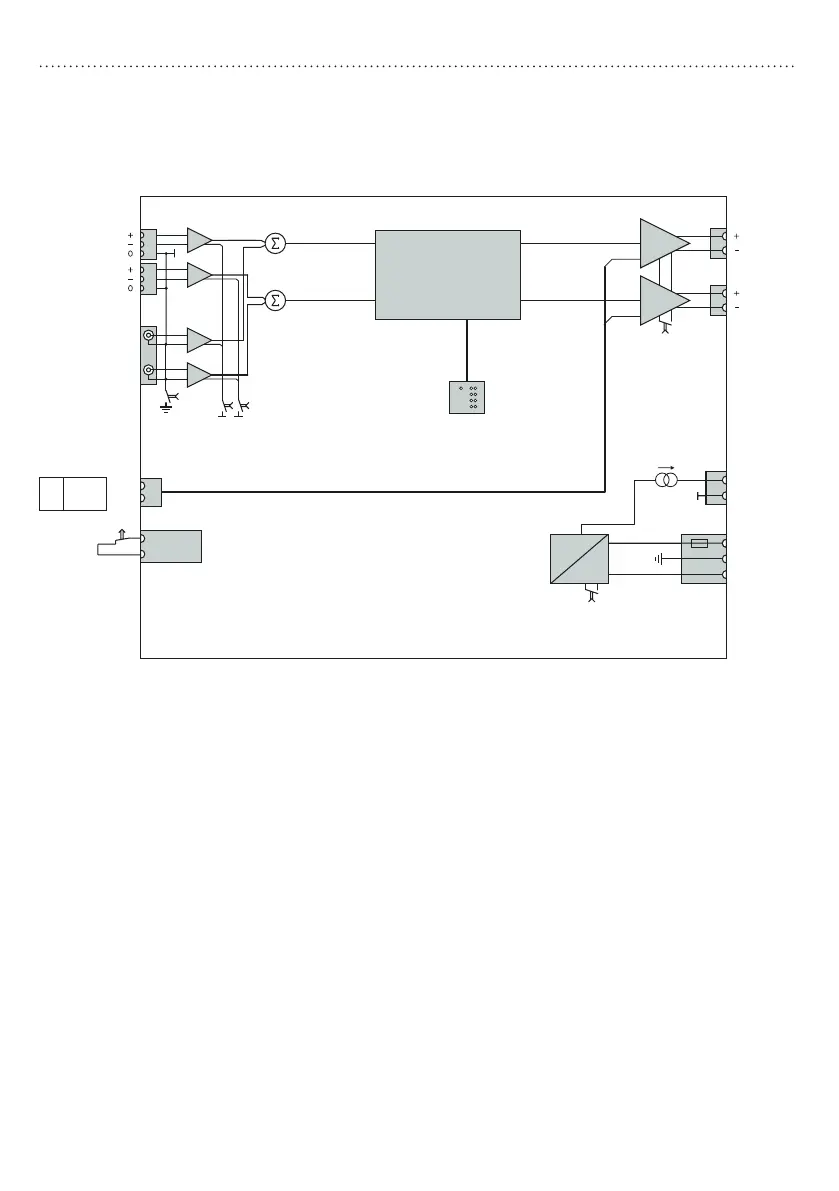
Block Diagram
PA-S 250 / PA-S 2100 / PA-S 2200
AUTO/STEADY ON
Channel 1+2
VCA 1
VCA 2
GROUND/
LIFT
Signal Management
POWER
ON/OFF
(front)
LED INDICATORS (Front)
ON/STANDBY
SLEEP/SIGNAL/LIMIT/PROTECT
STAND BY CONTACT
N/C
AC
DC
MAINS
90 ...250 VAC
50 Hz
DC OUT
+15V, 60mA
0
+15V
VCA INPUTS
0 VNom. Gain
10 V -80 dB
15 VMute
VCA 1
VCA 2
0
+15V
60mA max.
INPUT 1
sym.
INPUT 2
sym.
GAIN -6 /+4 dB
Channel 1/2
Schematic PA-S 2200
POWER OUT 1
50 / 100 / 200 WATTS
POWER OUT 2
50 / 100 / 200 WATTS