EasyManua.ls Logo

Leda LCN26 - Wiring Diagram

Leda LCN26
28 pages
Print Icon
To Next Page IconTo Next Page
To Next Page IconTo Next Page
To Previous Page IconTo Previous Page
To Previous Page IconTo Previous Page
Loading...
25
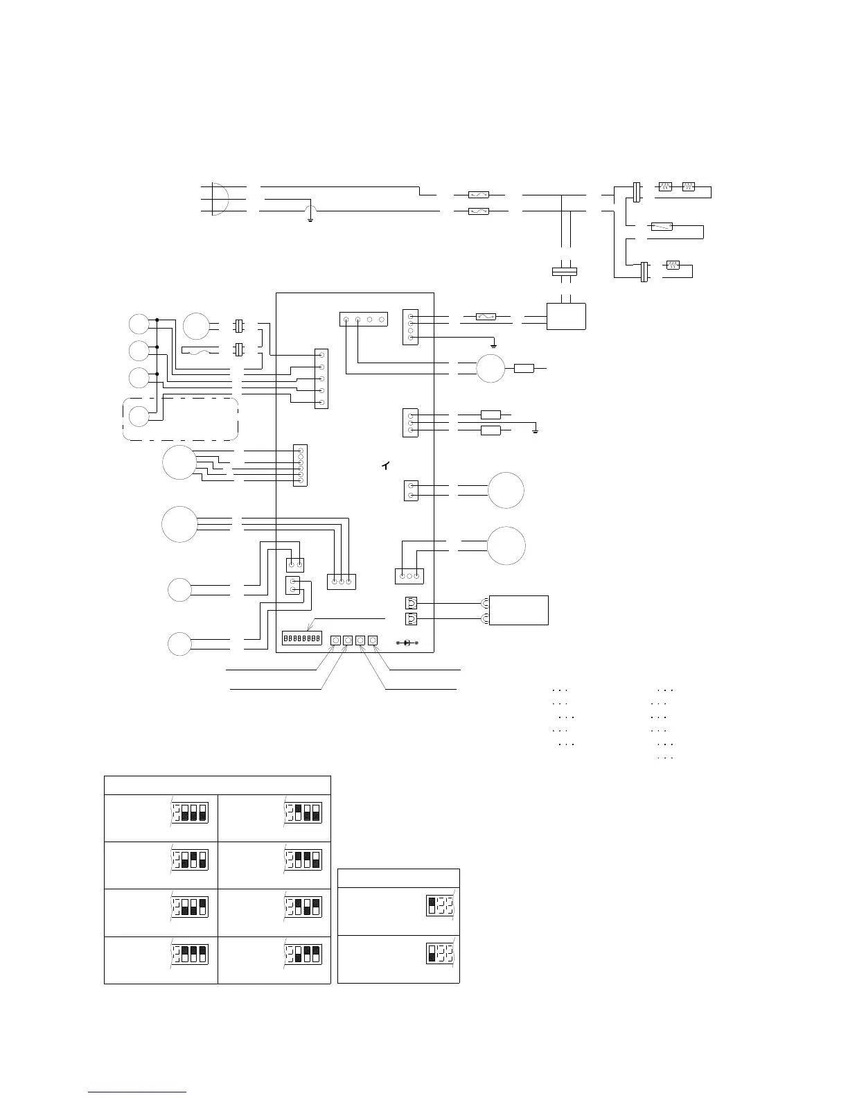
WIRING DIAGRAM
NOTE:
Only change black color switches.
Don't touch the other switches.
IG
Elect rod
W
Y
B
L
O
R
F
M
Remote
Controller
654321
Flow
Adjust
ment
Valve
347
7
O F F
P
P
7 8
Inlet
thermistor
Mixing
thermistor
Burning LED
Gas
Propor-
tional
Valve
Flame rod
Ground
Air-fuel ratio rod
Flow
Sensor
3
9
5
3
7
3
MV
SV 3
SV 2
SV 1
LB
G
O
R
O.H.C.F
H i -
l i mi t
s w it c h
BL
BLBL
BL
BL
On l y
BL
BLPK
PK
C
1
8
1
7
1
0
+
65
64
+85-
R
W
BK
BK
BK
BK
BK
BK
R
R
W
Y
G
O
Trans-
former
BK
W
Increase button
Decrease button MA X button
MI N butto n
Dipswitches
Ground
BK
W
Fuse
5A
PCB
Mo d e l 2 6
Mo de l 2 4
Heater
Thermostat
Heater
W
W
BK
BK
BK
W
W
W
240 VAC
Ground
BR
BL
Y&G
BK
W
BK
W
BK
W
BK
W
MA I N P C B
GS 0 0 W - A U
W WHITE
R RED
BK BLACK
P PURPLE
LB LIGHT
BLUE
BL BLUE
G GREEN
Y YELLOW
O ORANGE
BR BROWN
PK PINK
45
40
55
50
error60
error
DEFAULT
Temperat ure Settings
OFF
ON
5
6
7
8
5
6
7
8
5
6
7
8
5
6
7
8
OFF
ON
OFF
ON
OFF
ON
5
6
7
8
5
6
7
8
5
6
7
8
OFF
ON
OFF
ON
OFF
ON
5
6
7
8
OFF
ON
70
T
M
P
3
T
M
P
2
T
M
P
1
T
M
P
3
T
M
P
2
T
M
P
1
T
M
P
3
T
M
P
2
T
M
P
1
T
M
P
3
T
M
P
2
T
M
P
1
T
M
P
3
T
M
P
2
T
M
P
1
T
M
P
3
T
M
P
2
T
M
P
1
T
M
P
3
T
M
P
2
T
M
P
1
T
M
P
3
T
M
P
2
T
M
P
1
Gas type
Propane
Natur al
Gas
OFF
ON
1
2
3
1
2
3
OFF
ON

Related product manuals