EasyManua.ls Logo

lee dan enterview - Page 4

Default Icon
10 pages
Print Icon
To Next Page IconTo Next Page
To Next Page IconTo Next Page
To Previous Page IconTo Previous Page
To Previous Page IconTo Previous Page
Loading...
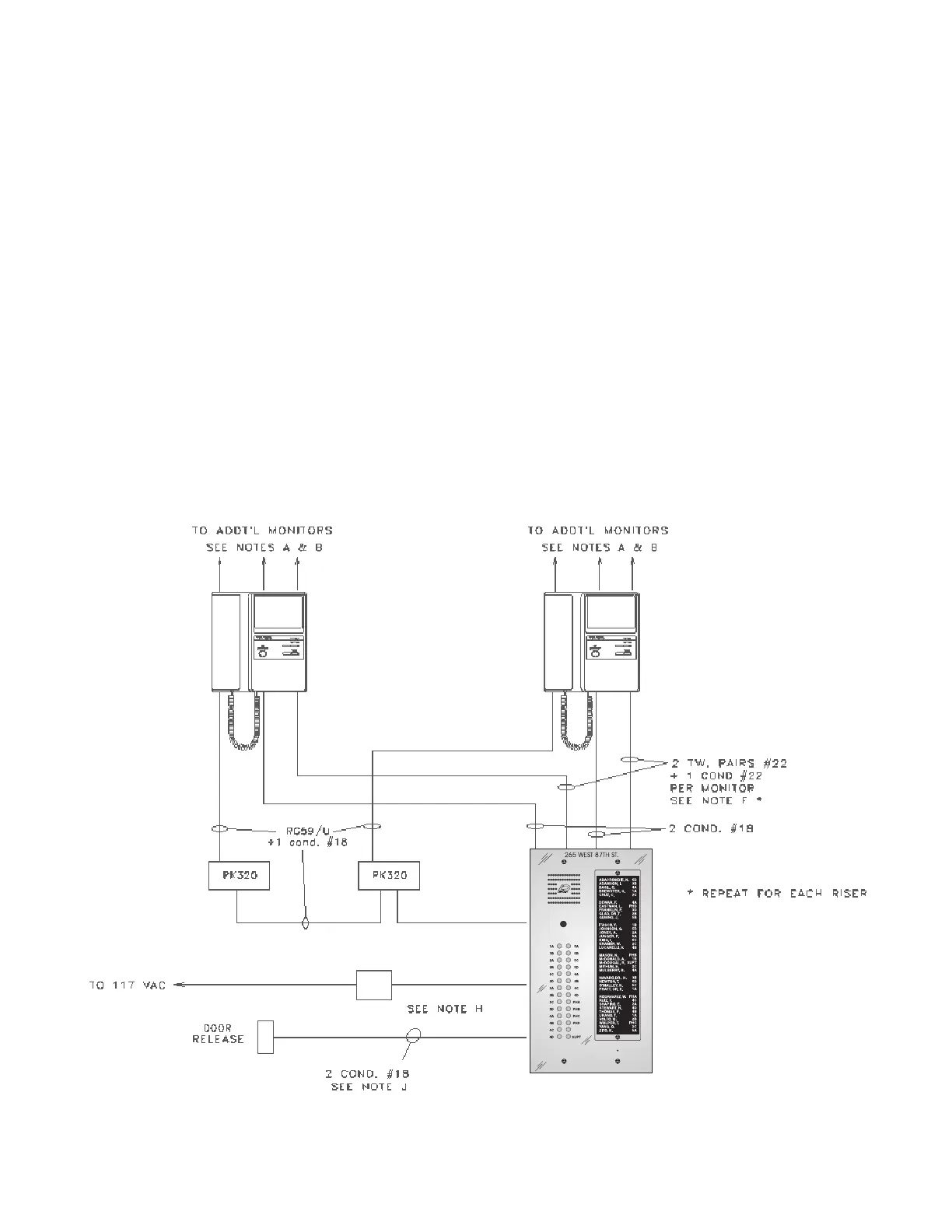
FIGURE 4 WIRING LAYOUT DIAGRAM
F. Wire gauge sizes for common wires only are as follows:
+, -, CT :Minimum 18 gauge for up to 50 monitors. Minimum 16 gauge for up to 100 monitors.
1,2,3,4 : Two twisted pair 22 gauge. Must be shielded pairs if not in metal conduit.
Intercom communication common wires must be routed away from flourescent lights and AC lines. For distances of greater than 500 feet use 20
gauge wire. Maximum distance from amplifier for communication wires is 1000 feet.
G. Wire gauge size for selective wire (X): 22 gauge. Wire gauge size for camera wires (CP,CN): 18 gauge. Unless specified, all other wires: 22 gauge.
H. Use 16 gauge wire to connect control unit to the transformer. If wire length is greater than 50 feet, use 14 gauge wire.
I. For wire length of more than 100 feet, run all power supply wires (+ and -) directly to the control unit location (usually the entrance panel location).
For wire length greater than 200 feet, use 16 gauge wire.
J. Use 2 cond., #18 cable for door release wiring. If release is located more than 50' from the control unit, use 16 gauge wire.
K. The control unit (PK-314A) is rated for 3 amps at 17 VDC and may be used to supply power for up to 50 VM-104 (without instant-on feature). See
SYSTEM LAYOUT section for additional information. Microphone wiring must be shielded cable and the shield must be connected to terminal G.

   
Quantum
TM
Entrance Panel
PS-250

Related product manuals