EasyManua.ls Logo

Leizig FCC825 - Page 10

Default Icon
24 pages
Print Icon
To Next Page IconTo Next Page
To Next Page IconTo Next Page
To Previous Page IconTo Previous Page
To Previous Page IconTo Previous Page
Loading...
10.
9.
使4. 安
使
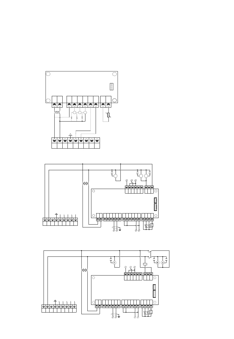
10.1 680/825230V AC/50 HzFCC225/320/
10.3 FCC1100/1500230V AC/50 Hz
HTTP://WWW.LEIZIG.COM 08
内风机
外风机
压缩机
220V
12V
BK
NO
NC
COM
M1
M2
M3
9 10
11 12
13
14
15 16
17
E04
连接控
制面板
AC12V
B- A+
J3
J11
RS485
门位开
热管
温度
柜内
温度
备用
35 34 33
32
31
30
29 28
27
26 25
24
23
22 21
20 19 18
故障输
门位开
L N
PE 1 2
3
4
5
NO NCCOM
内风
外风
压缩
E04
连接
制面
备用
门位开关
热管
温度
柜内
温度
12V
NO NC COM
9 10
11 12
13
14
15 16
17
AC12V
B- A+
RS485
35 34 33 32 31 30 29 28
27
26 25
24
23
22 21
20 19 18
1 2
3
4
5
PE
NL
J3
J11
故障输
门位开
NO COM NC
BK
220V
KM
KM
A1
A2
故障输出
外风机
内风机
12V
M1
M3
7 8 9
10
5
L N
PE
1
2
3 4 6
压缩机
连接控
制面板
220V
E06 电路板
AC12V
M2
温度探头
1 2
3
4
5
10.1 FCC225/320230V AC/50 Hz

Related product manuals