EasyManua.ls Logo

LEM SPX LIVE - Page 25

LEM SPX LIVE
28 pages
Print Icon
To Next Page IconTo Next Page
To Next Page IconTo Next Page
To Previous Page IconTo Previous Page
To Previous Page IconTo Previous Page
Loading...
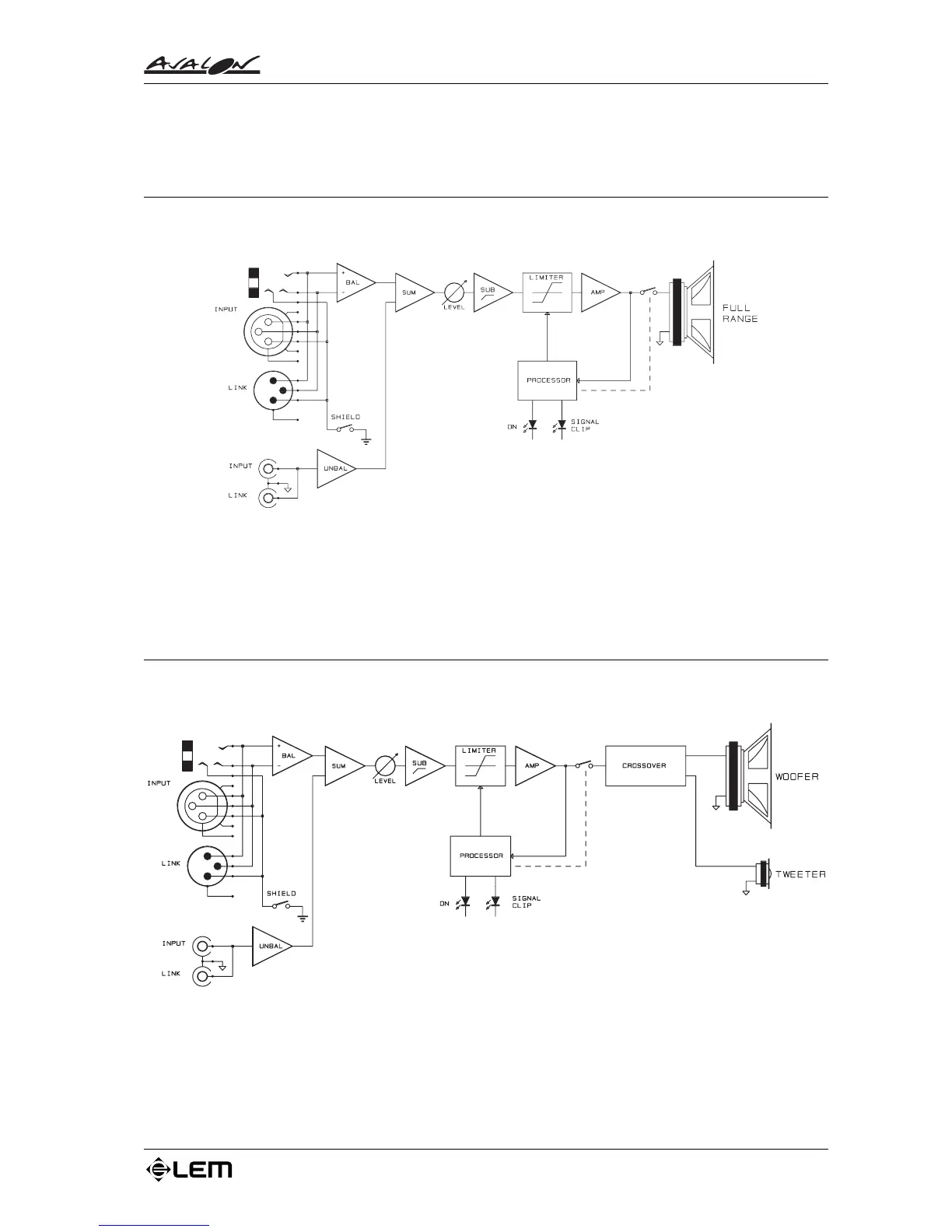
APPENDIX - 13
Diagrammi / Diagrams
SCHEMA A BLOCCHI SPX MEDIA
/ SPX MEDIA BLOCK DIAGRAM
SCHEMA A BLOCCHI SPX LIVE
/ SPX LIVE BLOCK DIAGRAM

Related product manuals