EasyManua.ls Logo

LEM SPX LIVE - Page 26

LEM SPX LIVE
28 pages
Print Icon
To Next Page IconTo Next Page
To Next Page IconTo Next Page
To Previous Page IconTo Previous Page
To Previous Page IconTo Previous Page
Loading...
APPENDIX - 14
Diagrammi / Diagrams
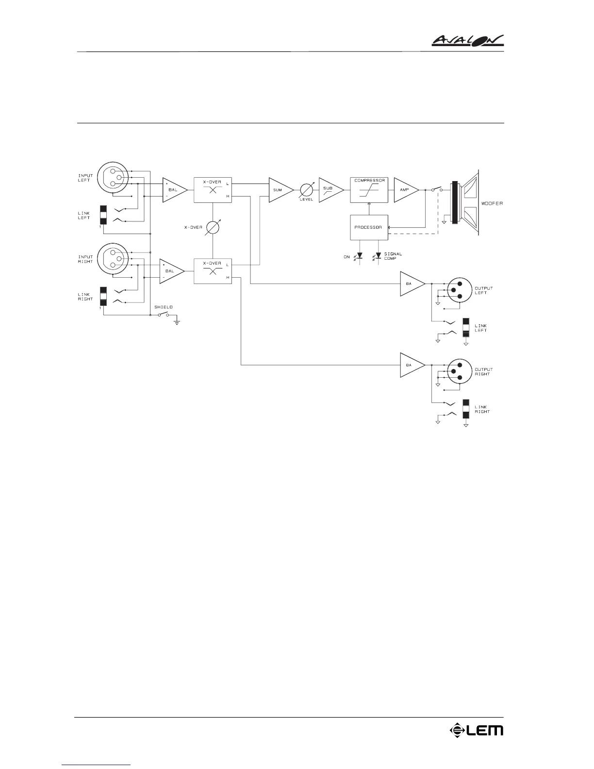
SCHEMA A BLOCCHI SPX SUB
/ SPX SUB BLOCK DIAGRAM

Related product manuals