EasyManua.ls Logo

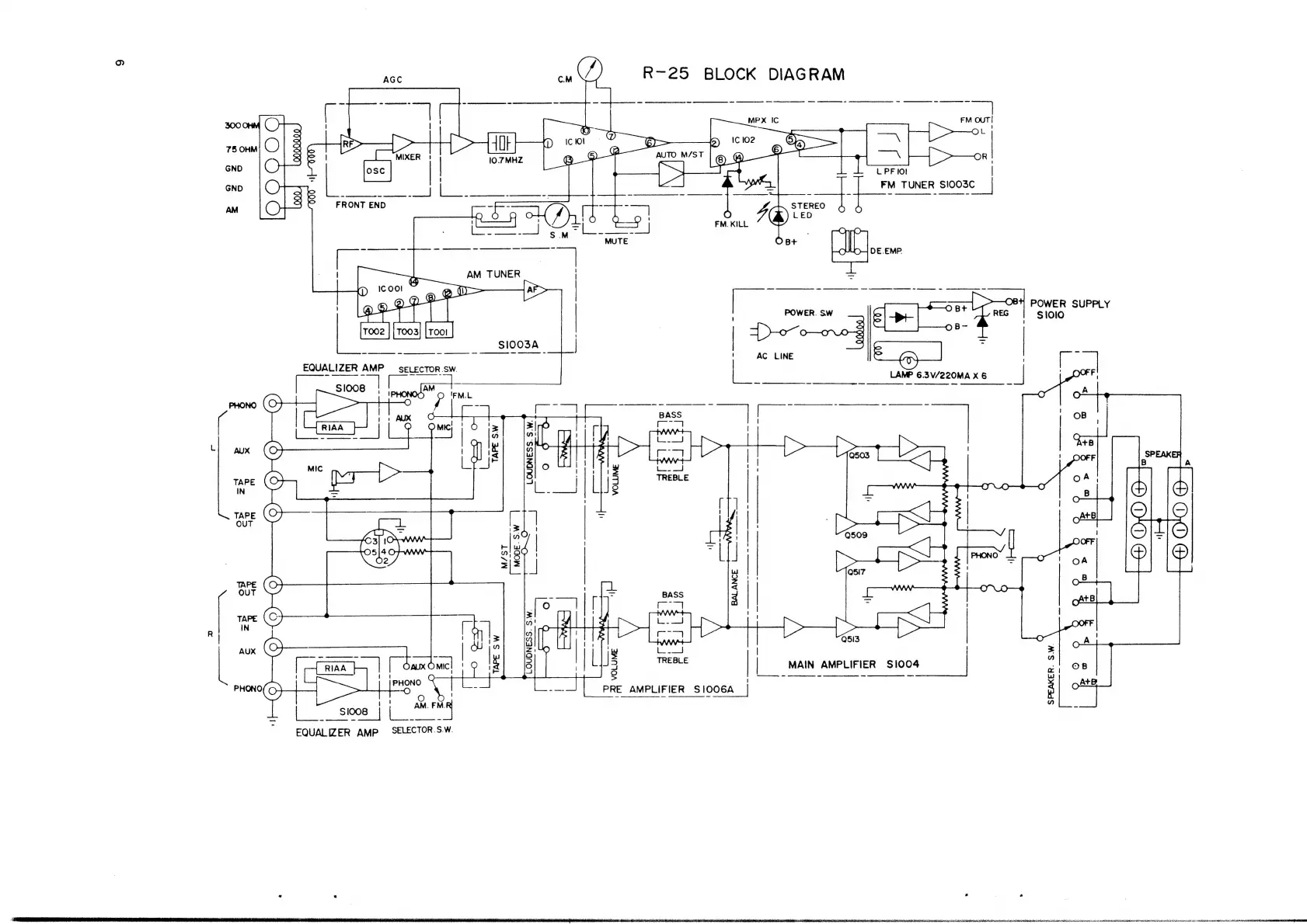
LENCO R25 - R-25 Block Diagram

LENCO R25
15 pages
Print Icon
To Next Page IconTo Next Page
To Next Page IconTo Next Page
To Previous Page IconTo Previous Page
To Previous Page IconTo Previous Page
Loading...
AGC
a
R-25
BLOCK
DIAGRAM
ole
sole
ee
>
WO)
(7)
Ot}
2
Hm)
Icio
er
SB)
IC
102
|
a.
are
O
aS
|
bz
ee
|
Be
Elid,
ge
©
ie
AUTO
M/ST
|
@ @
&)
came
OR
|
GND
Osc
i
L
PF
IO!
|
ai
|
Neat
FM
TUNER
SIOO3C__|
ne
+5
FRONTEND
ot
—-—
4
STEREO
peg
An
ey)
FMCKILL
&)
a
.
HF
_
bea.
=.
||
;
OOD
000
1}
eee
es
a=
|
MUTE
O
B+
a
oes
DE.EMP.
"
AM
TUNER
I
o
v0
Fy
fie
|
een
nee
eer
res
|
|@e@Py
|
Fs
+
POWER
SUPPLY
as
a
|
POWER.
SW
gt
REG
|
S1010
|
D-ooorog
OeS
SIOO3A
|
=
aired
7
ae
ae
8
et
!
AC
LINE
=
EQUALIZER
AMP
_
SELECTOR
SW
QOF
F
pes
LAMP
6.3V/220MA
x
6
|
C
sio0s
|
art
aie
savrezoma
cs
oe
eeetice-
es
gk
S
Pe
OOFF
Sen
ABBE
C)EIC
Pregicieic
a
O)+1©
|
Dp}
|
OA
i
|
O
At
SPEAKER.
SW.
I
O
z
@
FQUALIZER
AMP
SELECTOR.S.W.