EasyManua.ls Logo

Lennox EL296UH090XV48C - Page 90

Lennox EL296UH090XV48C
114 pages
To Next Page IconTo Next Page
To Next Page IconTo Next Page
To Previous Page IconTo Previous Page
To Previous Page IconTo Previous Page
Loading...
Page 90
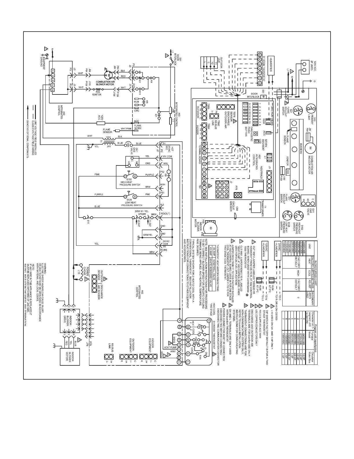
Ignition Control 103130-05 and Blower Drive
EL296 Units With Blower Drive

Other manuals for Lennox EL296UH090XV48C

Related product manuals