EasyManua.ls Logo

Lennox Enlight LGT240H4M - Page 91

Lennox Enlight LGT240H4M
106 pages
Print Icon
To Next Page IconTo Next Page
To Next Page IconTo Next Page
To Previous Page IconTo Previous Page
To Previous Page IconTo Previous Page
Loading...

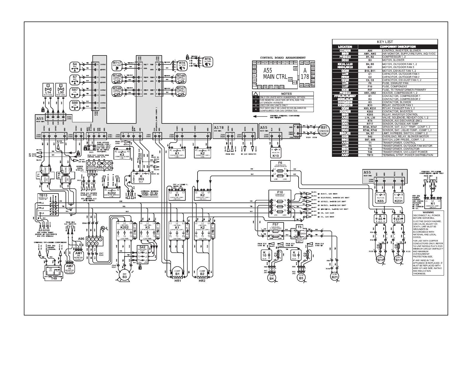
LGT/LCT156 G, J Voltage With By-Pass
LGT, LCT 156H − G, J−VOLT
COOLING − MSAV WITH BYPASS − 2 COMPRESSORS 3 CONDENSER FANS Supersedes:N/A Form No:
Voltage:460V/3~/60Hz (G), 575V/3~/60Hz (J)
Rev: 2
53821001

Related product manuals