EasyManua.ls Logo

Lennox G24M2-45

Lennox G24M2-45
32 pages
To Next Page IconTo Next Page
To Next Page IconTo Next Page
To Previous Page IconTo Previous Page
To Previous Page IconTo Previous Page
Loading...
Page 23
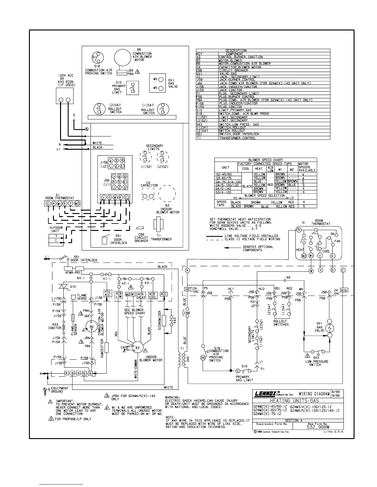
G24M Schematic Wiring Diagram
(120V, 1PH, 60HZ)
FIGURE 22

Related product manuals